DEHNduo

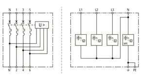
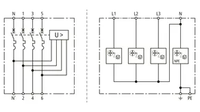
DEHNduo is a product family that combines POP, IGA, and surge protective devices (SPDs), ensuring comprehensive protection of electrical installations against both transient and permanent overvoltages – including variants with automatic reclosure.This flexibility allows us to offer the most suitable solution for every application, whether in residential, industrial, or specialized installations (public lighting, e‑mobility, etc.).DEHNduo is a reliable and safe solution that complies with applicable standards (IEC 63052 and IEC 61643‑11).DEHNduo is CE‑certified and complies with the RoHS Directive, ensuring both safety and environmental compatibility.
  • Comprehensive and reliable protection against transient and permanent overvoltages
  • The right product for every application
  • Combined solutions with POP, IGA, and SPDs
  • Versions with automatic reclosure
  • Easy installation
  • Compliant with applicable standards (IEC 63052 and IEC 61643‑11)

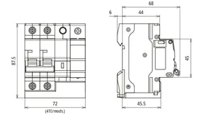
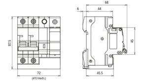
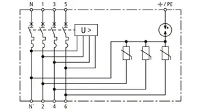
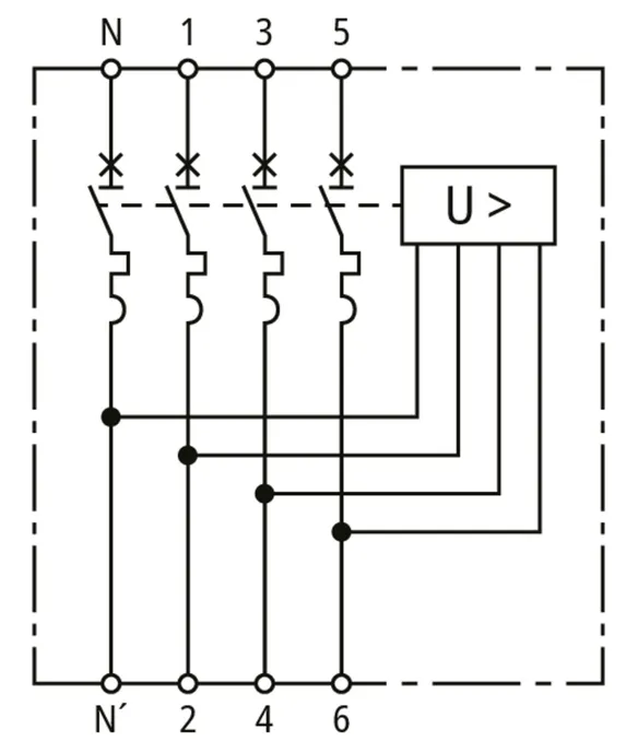
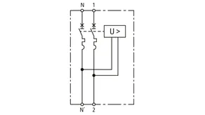
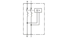
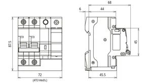
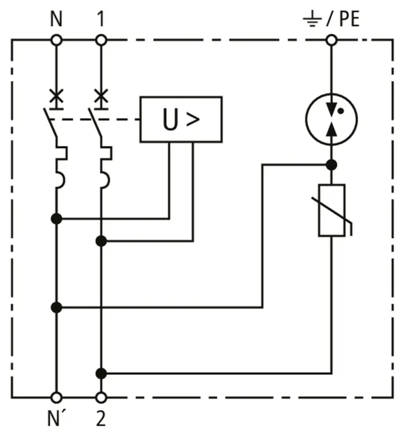
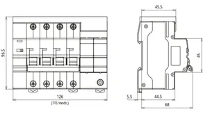
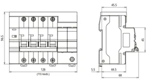
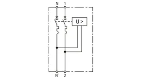
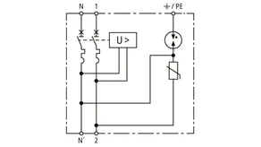
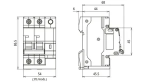
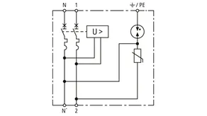
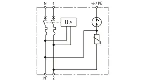
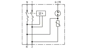
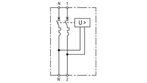
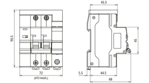
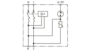
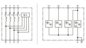
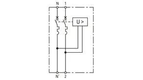
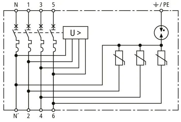
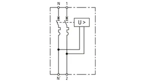
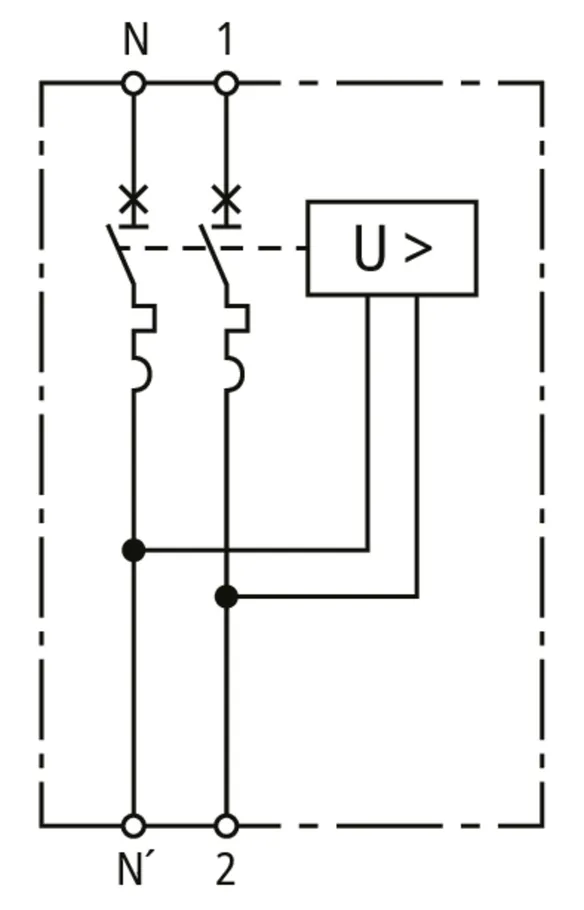
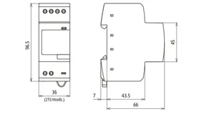
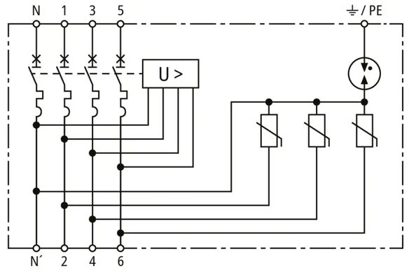
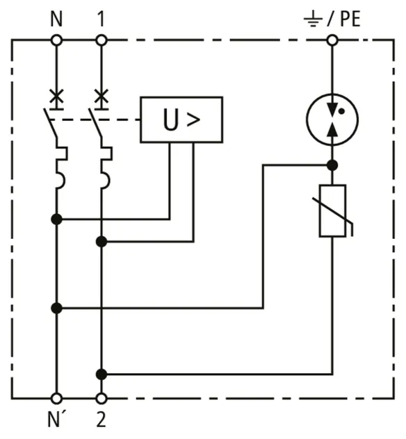
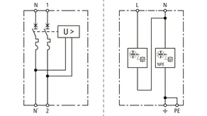
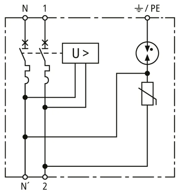
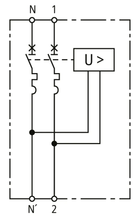
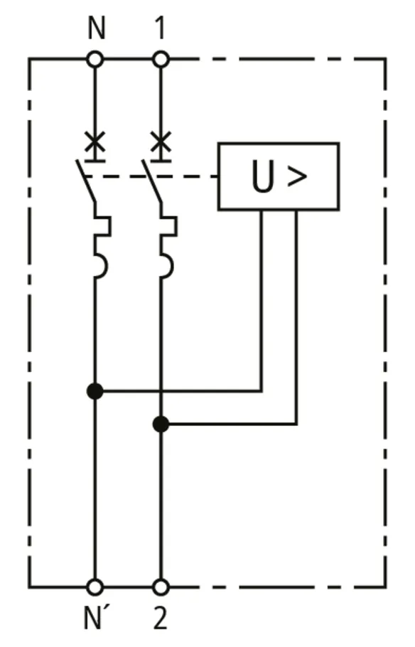
MCB+POP 1P+N

7 Products

Part No. 900748 MCB+POP 16A 1P+N

GTIN 4013364559479, Customs tariff No. (EU): 85363010, Gross weight: 294.20 g, PU: 1.00 pc(s)


Images

Additional information

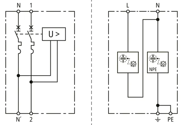
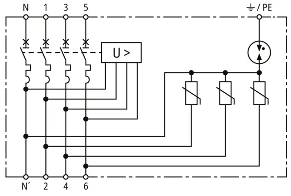
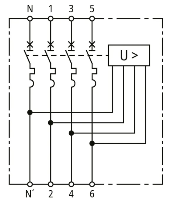
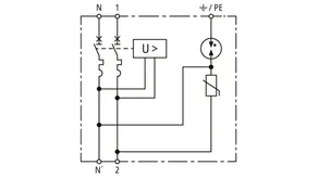
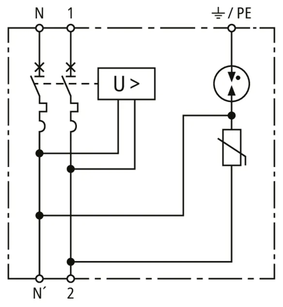
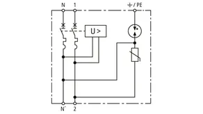
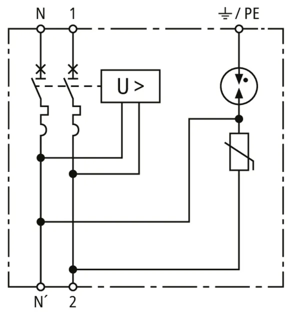
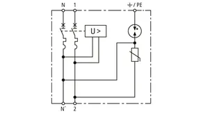
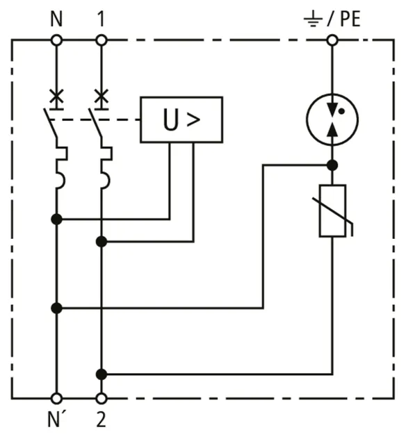
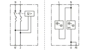
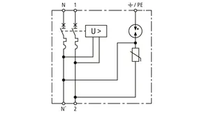
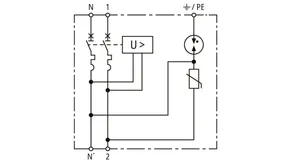
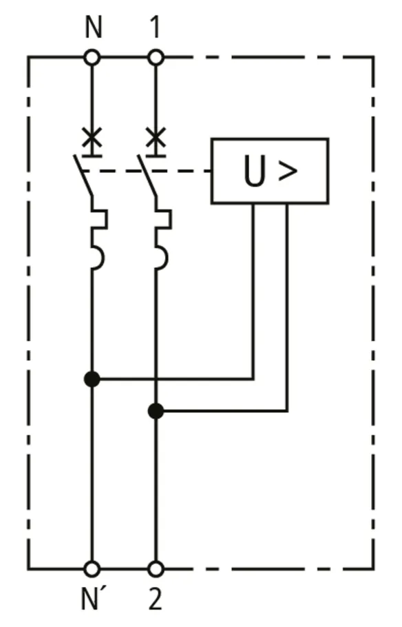
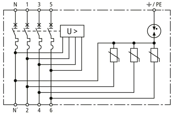
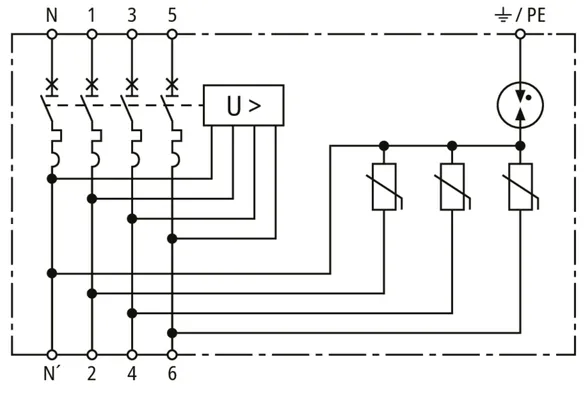
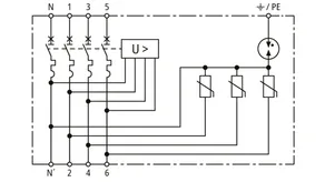
Protective device POP + MCB - 16A - 2P
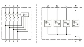
Power frequency overvoltage protective devices
with integrated circuit breaker
POP as per EN IEC 63052
Prewired complete unit, no additional
wiring of single devices necessary
Number pf poles 1P + N
Tripping characteristic MCB / nominal current MCB C 16 A
Rated breaking capacity as per EN 60898 6 kA
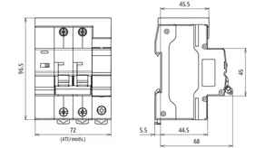
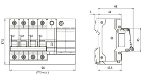
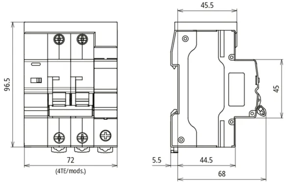
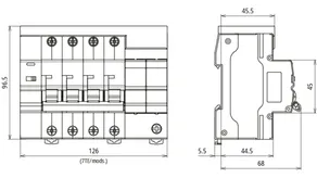
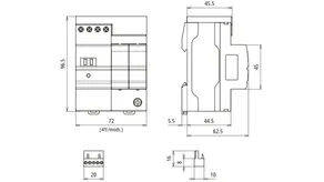
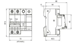
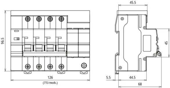
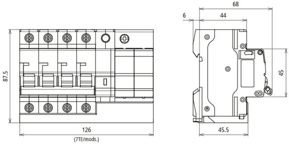
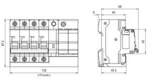
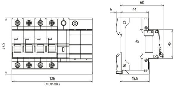
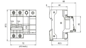
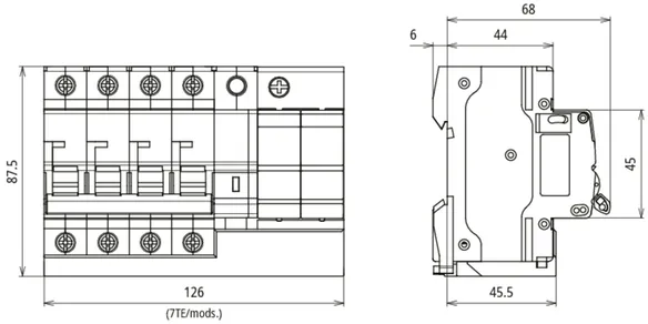
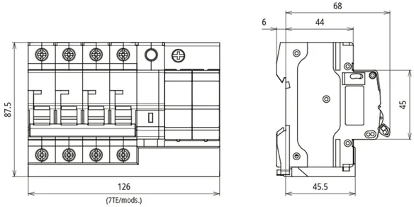
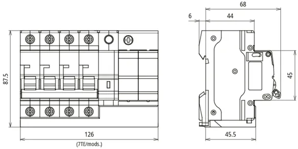
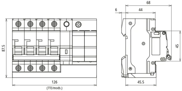
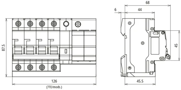
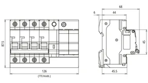
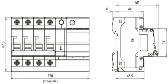
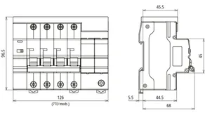
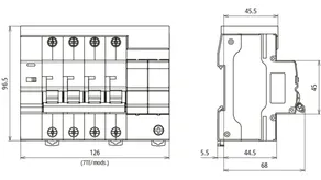
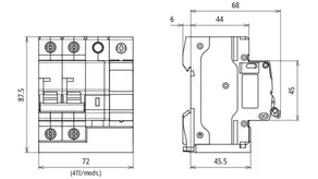
DIN rail mounted device as per DIN 43880, 3 modules


Brand: DEHN
Type: MCB+POP 16A 1P+N
Part No.: 900748
or equivalent.

Certificates

 

Technical data

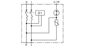
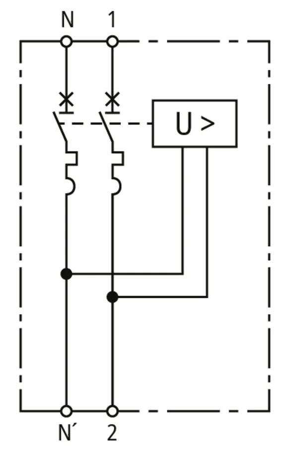
POP
Nominal AC voltage [L-N] (UN ) 230 V
Nominal AC voltage [L-L] (UN ) 400 V
Maximum tripping time [Ua = 255 V] (tA ) No tripping
Minimum non-tripping time [Ua = 255 V] (tA ) No tripping
Maximum tripping time [Ua = 275 V] (tA ) 15 sec.
Minimum non-tripping time [Ua = 275 V] (tA ) 3 sec.
Maximum tripping time [Ua = 300 V] (tA ) 5 sec.
Minimum non-tripping time [Ua = 300 V] (tA ) 1 sec.
Maximum tripping time [Ua = 350 V] (tA ) 0.75 sec.
Minimum non-tripping time [Ua = 350 V] (tA ) 0.25 sec.
Maximum tripping time [Ua = 400 V] (tA ) 0.2 sec.
Minimum non-tripping time [Ua = 400 V] (tA ) 0.07 sec.
MCB
Tripping characteristic C
Nominal AC voltage (UN ) 230 / 400 V
Version 1 + N
General
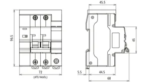
Dimensions 3 Standard DIN module, DIN 43880

Product 900748 was added to Notepad.

Product 900748 was added to the cart.

Part No. 900749 MCB+POP 20A 1P+N

GTIN 4013364559486, Customs tariff No. (EU): 85363030, Gross weight: 294.20 g, PU: 1.00 pc(s)


Images

Additional information

Protective device POP + MCB - 20A - 2P
Power frequency overvoltage protective devices
with integrated circuit breaker
POP as per EN IEC 63052
Prewired complete unit, no additional
wiring of single devices necessary
Number pf poles 1P + N
Tripping characteristic MCB / nominal current MCB C 20 A
Rated breaking capacity as per EN 60898 6 kA
DIN rail mounted device as per DIN 43880, 3 modules

Brand: DEHN
Type: MCB+POP 20A 1P+N
Part No.: 900749
or equivalent.

Certificates

 

Technical data

POP
Nominal AC voltage [L-N] (UN ) 230 V
Nominal AC voltage [L-L] (UN ) 400 V
Maximum tripping time [Ua = 255 V] (tA ) No tripping
Minimum non-tripping time [Ua = 255 V] (tA ) No tripping
Maximum tripping time [Ua = 275 V] (tA ) 15 sec.
Minimum non-tripping time [Ua = 275 V] (tA ) 3 sec.
Maximum tripping time [Ua = 300 V] (tA ) 5 sec.
Minimum non-tripping time [Ua = 300 V] (tA ) 1 sec.
Maximum tripping time [Ua = 350 V] (tA ) 0.75 sec.
Minimum non-tripping time [Ua = 350 V] (tA ) 0.25 sec.
Maximum tripping time [Ua = 400 V] (tA ) 0.2 sec.
Minimum non-tripping time [Ua = 400 V] (tA ) 0.07 sec.
MCB
Tripping characteristic C
Nominal AC voltage (UN ) 230 / 400 V
Version 1 + N
General
Dimensions 3 Standard DIN module, DIN 43880

Product 900749 was added to Notepad.

Product 900749 was added to the cart.

Part No. 900752 MCB+POP 25A 1P+N

GTIN 4013364559493, Customs tariff No. (EU): 85363030, Gross weight: 294.20 g, PU: 1.00 pc(s)


Images

Additional information

Protective device POP + MCB - 25A - 2P
Power frequency overvoltage protective devices
with integrated circuit breaker
POP as per EN IEC 63052
Prewired complete unit, no additional
wiring of single devices necessary
Number pf poles 1P + N
Tripping characteristic MCB / nominal current MCB C 25 A
Rated breaking capacity as per EN 60898 6 kA
DIN rail mounted device as per DIN 43880, 3 modules


Brand: DEHN
Type: MCB+POP 25A 1P+N
Part No.: 900752
or equivalent.

Certificates

 

Technical data

POP
Nominal AC voltage [L-N] (UN ) 230 V
Nominal AC voltage [L-L] (UN ) 400 V
Maximum tripping time [Ua = 255 V] (tA ) No tripping
Minimum non-tripping time [Ua = 255 V] (tA ) No tripping
Maximum tripping time [Ua = 275 V] (tA ) 15 sec.
Minimum non-tripping time [Ua = 275 V] (tA ) 3 sec.
Maximum tripping time [Ua = 300 V] (tA ) 5 sec.
Minimum non-tripping time [Ua = 300 V] (tA ) 1 sec.
Maximum tripping time [Ua = 350 V] (tA ) 0.75 sec.
Minimum non-tripping time [Ua = 350 V] (tA ) 0.25 sec.
Maximum tripping time [Ua = 400 V] (tA ) 0.2 sec.
Minimum non-tripping time [Ua = 400 V] (tA ) 0.07 sec.
MCB
Tripping characteristic C
Nominal AC voltage (UN ) 230 / 400 V
Version 1 + N
General
Dimensions 3 Standard DIN module, DIN 43880

Product 900752 was added to Notepad.

Product 900752 was added to the cart.

Part No. 900753 MCB+POP 32A 1P+N

GTIN 4013364559509, Customs tariff No. (EU): 85363030, Gross weight: 294.20 g, PU: 1.00 pc(s)


Images

Additional information

Protective device POP + MCB - 32A - 2P
Power frequency overvoltage protective devices
with integrated circuit breaker
POP as per EN IEC 63052
Prewired complete unit, no additional
wiring of single devices necessary
Number pf poles 1P + N
Tripping characteristic MCB / nominal current MCB C 32 A
Rated breaking capacity as per EN 60898 6 kA
DIN rail mounted device as per DIN 43880, 3 modules


Brand: DEHN
Type: MCB+POP 32A 1P+N
Part No.: 900753
or equivalent.

Certificates

 

Technical data

POP
Nominal AC voltage [L-N] (UN ) 230 V
Nominal AC voltage [L-L] (UN ) 400 V
Maximum tripping time [Ua = 255 V] (tA ) No tripping
Minimum non-tripping time [Ua = 255 V] (tA ) No tripping
Maximum tripping time [Ua = 275 V] (tA ) 15 sec.
Minimum non-tripping time [Ua = 275 V] (tA ) 3 sec.
Maximum tripping time [Ua = 300 V] (tA ) 5 sec.
Minimum non-tripping time [Ua = 300 V] (tA ) 1 sec.
Maximum tripping time [Ua = 350 V] (tA ) 0.75 sec.
Minimum non-tripping time [Ua = 350 V] (tA ) 0.25 sec.
Maximum tripping time [Ua = 400 V] (tA ) 0.2 sec.
Minimum non-tripping time [Ua = 400 V] (tA ) 0.07 sec.
MCB
Tripping characteristic C
Nominal AC voltage (UN ) 230 / 400 V
Version 1 + N
General
Dimensions 3 Standard DIN module, DIN 43880

Product 900753 was added to Notepad.

Product 900753 was added to the cart.

Part No. 900754 MCB+POP 40A 1P+N

GTIN 4013364559516, Customs tariff No. (EU): 85363030, Gross weight: 294.20 g, PU: 1.00 pc(s)


Images

Additional information

Protective device POP + MCB - 40A - 2P
Power frequency overvoltage protective devices
with integrated circuit breaker
POP as per EN IEC 63052
Prewired complete unit, no additional
wiring of single devices necessary
Number pf poles 1P + N
Tripping characteristic MCB / nominal current MCB C 40 A
Rated breaking capacity as per EN 60898 6 kA
DIN rail mounted device as per DIN 43880, 3 modules

Brand: DEHN
Type: MCB+POP 40A 1P+N
Part No.: 900754
or equivalent.

Certificates

 

Technical data

POP
Nominal AC voltage [L-N] (UN ) 230 V
Nominal AC voltage [L-L] (UN ) 400 V
Maximum tripping time [Ua = 255 V] (tA ) No tripping
Minimum non-tripping time [Ua = 255 V] (tA ) No tripping
Maximum tripping time [Ua = 275 V] (tA ) 15 sec.
Minimum non-tripping time [Ua = 275 V] (tA ) 3 sec.
Maximum tripping time [Ua = 300 V] (tA ) 5 sec.
Minimum non-tripping time [Ua = 300 V] (tA ) 1 sec.
Maximum tripping time [Ua = 350 V] (tA ) 0.75 sec.
Minimum non-tripping time [Ua = 350 V] (tA ) 0.25 sec.
Maximum tripping time [Ua = 400 V] (tA ) 0.2 sec.
Minimum non-tripping time [Ua = 400 V] (tA ) 0.07 sec.
MCB
Tripping characteristic C
Nominal AC voltage (UN ) 230 / 400 V
Version 1 + N
General
Dimensions 3 Standard DIN module, DIN 43880

Product 900754 was added to Notepad.

Product 900754 was added to the cart.

Part No. 900755 MCB+POP 50A 1P+N

GTIN 4013364559523, Customs tariff No. (EU): 85363030, Gross weight: 294.20 g, PU: 1.00 pc(s)


Images

Additional information

Protective device POP + MCB - 50A - 2P
Power frequency overvoltage protective devices
with integrated circuit breaker
POP as per EN IEC 63052
Prewired complete unit, no additional
wiring of single devices necessary
Number pf poles 1P + N
Tripping characteristic MCB / nominal current MCB C 50 A
Rated breaking capacity as per EN 60898 6 kA
DIN rail mounted device as per DIN 43880, 3 modules


Brand: DEHN
Type: MCB+POP 50A 1P+N
Part No.: 900755
or equivalent.

Certificates

 

Technical data

POP
Nominal AC voltage [L-N] (UN ) 230 V
Nominal AC voltage [L-L] (UN ) 400 V
Maximum tripping time [Ua = 255 V] (tA ) No tripping
Minimum non-tripping time [Ua = 255 V] (tA ) No tripping
Maximum tripping time [Ua = 275 V] (tA ) 15 sec.
Minimum non-tripping time [Ua = 275 V] (tA ) 3 sec.
Maximum tripping time [Ua = 300 V] (tA ) 5 sec.
Minimum non-tripping time [Ua = 300 V] (tA ) 1 sec.
Maximum tripping time [Ua = 350 V] (tA ) 0.75 sec.
Minimum non-tripping time [Ua = 350 V] (tA ) 0.25 sec.
Maximum tripping time [Ua = 400 V] (tA ) 0.2 sec.
Minimum non-tripping time [Ua = 400 V] (tA ) 0.07 sec.
MCB
Tripping characteristic C
Nominal AC voltage (UN ) 230 / 400 V
Version 1 + N
General
Dimensions 3 Standard DIN module, DIN 43880

Product 900755 was added to Notepad.

Product 900755 was added to the cart.

Part No. 900756 MCB+POP 63A 1P+N

GTIN 4013364559530, Customs tariff No. (EU): 85363030, Gross weight: 294.20 g, PU: 1.00 pc(s)


Images

Additional information

Protective device POP + MCB - 63A - 2P
Power frequency overvoltage protective devices
with integrated circuit breaker
POP as per EN IEC 63052
Prewired complete unit, no additional
wiring of single devices necessary
Number pf poles 1P + N
Tripping characteristic MCB / nominal current MCB C 63 A
Rated breaking capacity as per EN 60898 6 kA
DIN rail mounted device as per DIN 43880, 3 modules


Brand: DEHN
Type: MCB+POP 63A 1P+N
Part No.: 900756
or equivalent.

Certificates

 

Technical data

POP
Nominal AC voltage [L-N] (UN ) 230 V
Nominal AC voltage [L-L] (UN ) 400 V
Maximum tripping time [Ua = 255 V] (tA ) No tripping
Minimum non-tripping time [Ua = 255 V] (tA ) No tripping
Maximum tripping time [Ua = 275 V] (tA ) 15 sec.
Minimum non-tripping time [Ua = 275 V] (tA ) 3 sec.
Maximum tripping time [Ua = 300 V] (tA ) 5 sec.
Minimum non-tripping time [Ua = 300 V] (tA ) 1 sec.
Maximum tripping time [Ua = 350 V] (tA ) 0.75 sec.
Minimum non-tripping time [Ua = 350 V] (tA ) 0.25 sec.
Maximum tripping time [Ua = 400 V] (tA ) 0.2 sec.
Minimum non-tripping time [Ua = 400 V] (tA ) 0.07 sec.
MCB
Tripping characteristic C
Nominal AC voltage (UN ) 230 / 400 V
Version 1 + N
General
Dimensions 3 Standard DIN module, DIN 43880

Product 900756 was added to Notepad.

Product 900756 was added to the cart.


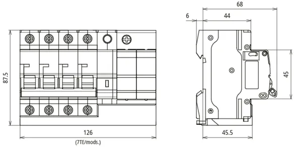
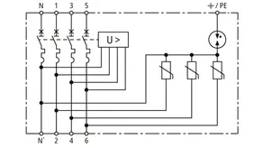
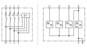
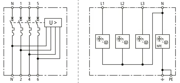
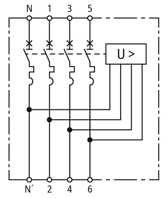
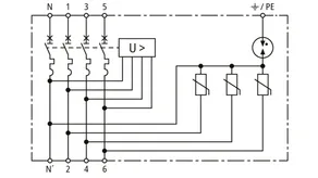
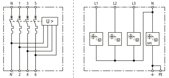
MCB+POP 3P+N

7 Products

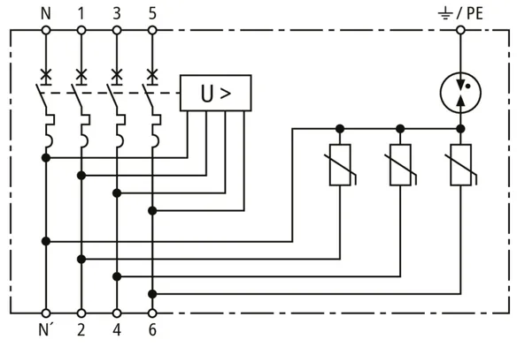
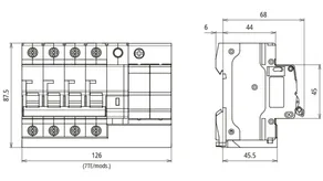
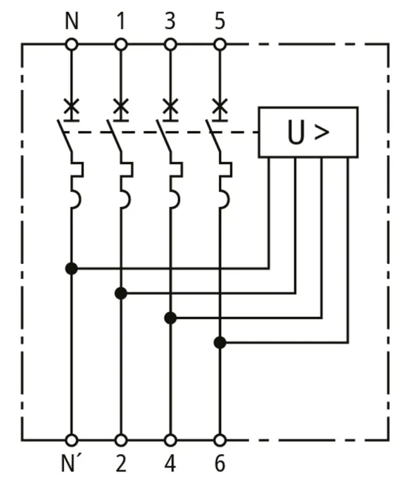
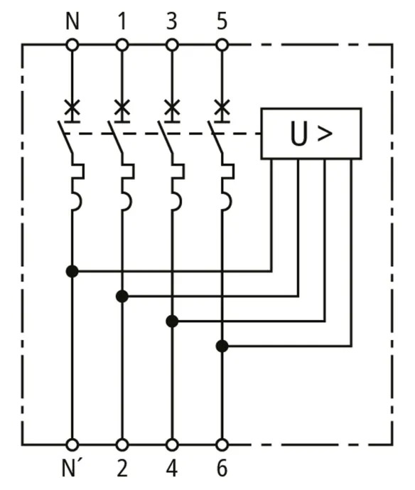
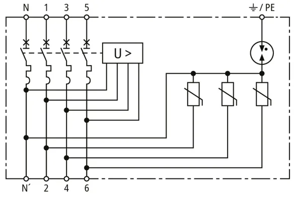
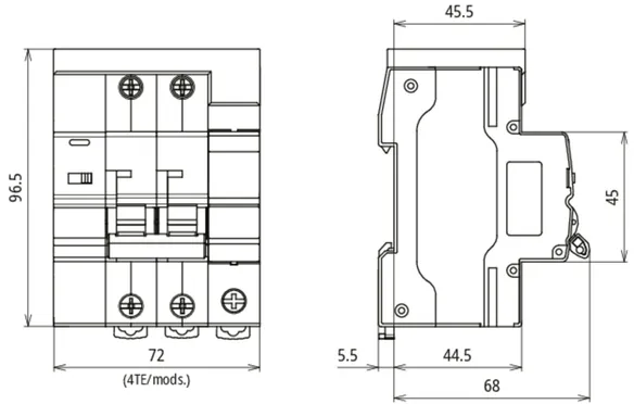
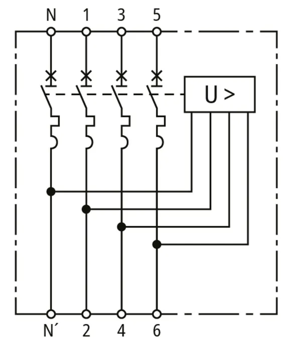
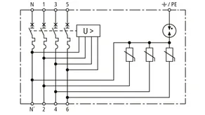
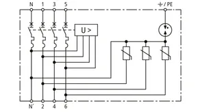
Part No. 900757 MCB+POP 16A 3P+N

GTIN 4013364559547, Customs tariff No. (EU): 85363010, Gross weight: 491.40 g, PU: 1.00 pc(s)


Images

Additional information

Protective device POP + MCB - 16A - 4P
Power frequency overvoltage protective devices
with integrated circuit breaker
POP as per EN IEC 63052
Prewired complete unit, no additional
wiring of single devices necessary
Number pf poles 3P + N
Tripping characteristic MCB / nominal current MCB C 16 A
Rated breaking capacity as per EN 60898 6 kA
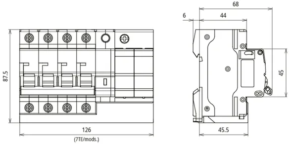
DIN rail mounted device as per DIN 43880, 5 modules


Brand: DEHN
Type: MCB+POP 16A 3P+N
Part No.: 900757
or equivalent.

Certificates

 

Technical data

General
Dimensions 5 Standard DIN module, DIN 43880
POP
Nominal AC voltage [L-N] (UN ) 230 V
Nominal AC voltage [L-L] (UN ) 400 V
Maximum tripping time [Ua = 255 V] (tA ) No tripping
Minimum non-tripping time [Ua = 255 V] (tA ) No tripping
Maximum tripping time [Ua = 275 V] (tA ) 15 sec.
Minimum non-tripping time [Ua = 275 V] (tA ) 3 sec.
Maximum tripping time [Ua = 300 V] (tA ) 5 sec.
Minimum non-tripping time [Ua = 300 V] (tA ) 1 sec.
Maximum tripping time [Ua = 350 V] (tA ) 0.75 sec.
Minimum non-tripping time [Ua = 350 V] (tA ) 0.25 sec.
Maximum tripping time [Ua = 400 V] (tA ) 0.2 sec.
Minimum non-tripping time [Ua = 400 V] (tA ) 0.07 sec.
MCB
Tripping characteristic C
Nominal AC voltage (UN ) 230 / 400 V
Version 3 + N

Product 900757 was added to Notepad.

Product 900757 was added to the cart.

Part No. 900758 MCB+POP 20A 3P+N

GTIN 4013364559554, Customs tariff No. (EU): 85363030, Gross weight: 491.40 g, PU: 1.00 pc(s)


Images

Additional information

Protective device POP + MCB - 20A - 4P
Power frequency overvoltage protective devices
with integrated circuit breaker
POP as per EN IEC 63052
Prewired complete unit, no additional
wiring of single devices necessary
Number pf poles 3P + N
Tripping characteristic MCB / nominal current MCB C 20 A
Rated breaking capacity as per EN 60898 6 kA
DIN rail mounted device as per DIN 43880, 5 modules


Brand: DEHN
Type: MCB+POP 20A 3P+N
Part No.: 900758
or equivalent.

Certificates

 

Technical data

General
Dimensions 5 Standard DIN module, DIN 43880
POP
Nominal AC voltage [L-N] (UN ) 230 V
Nominal AC voltage [L-L] (UN ) 400 V
Maximum tripping time [Ua = 255 V] (tA ) No tripping
Minimum non-tripping time [Ua = 255 V] (tA ) No tripping
Maximum tripping time [Ua = 275 V] (tA ) 15 sec.
Minimum non-tripping time [Ua = 275 V] (tA ) 3 sec.
Maximum tripping time [Ua = 300 V] (tA ) 5 sec.
Minimum non-tripping time [Ua = 300 V] (tA ) 1 sec.
Maximum tripping time [Ua = 350 V] (tA ) 0.75 sec.
Minimum non-tripping time [Ua = 350 V] (tA ) 0.25 sec.
Maximum tripping time [Ua = 400 V] (tA ) 0.2 sec.
Minimum non-tripping time [Ua = 400 V] (tA ) 0.07 sec.
MCB
Tripping characteristic C
Nominal AC voltage (UN ) 230 / 400 V
Version 3 + N

Product 900758 was added to Notepad.

Product 900758 was added to the cart.

Part No. 900759 MCB+POP 25A 3P+N

GTIN 4013364559561, Customs tariff No. (EU): 85363030, Gross weight: 491.40 g, PU: 1.00 pc(s)


Images

Additional information

Protective device POP + MCB - 25A - 4P
Power frequency overvoltage protective devices
with integrated circuit breaker
POP as per EN IEC 63052
Prewired complete unit, no additional
wiring of single devices necessary
Number pf poles 3P + N
Tripping characteristic MCB / nominal current MCB C 25 A
Rated breaking capacity as per EN 60898 6 kA
DIN rail mounted device as per DIN 43880, 5 modules


Brand: DEHN
Type: MCB+POP 25A 3P+N
Part No.: 900759
or equivalent.

Certificates

 

Technical data

General
Dimensions 5 Standard DIN module, DIN 43880
POP
Nominal AC voltage [L-N] (UN ) 230 V
Nominal AC voltage [L-L] (UN ) 400 V
Maximum tripping time [Ua = 255 V] (tA ) No tripping
Minimum non-tripping time [Ua = 255 V] (tA ) No tripping
Maximum tripping time [Ua = 275 V] (tA ) 15 sec.
Minimum non-tripping time [Ua = 275 V] (tA ) 3 sec.
Maximum tripping time [Ua = 300 V] (tA ) 5 sec.
Minimum non-tripping time [Ua = 300 V] (tA ) 1 sec.
Maximum tripping time [Ua = 350 V] (tA ) 0.75 sec.
Minimum non-tripping time [Ua = 350 V] (tA ) 0.25 sec.
Maximum tripping time [Ua = 400 V] (tA ) 0.2 sec.
Minimum non-tripping time [Ua = 400 V] (tA ) 0.07 sec.
MCB
Tripping characteristic C
Nominal AC voltage (UN ) 230 / 400 V
Version 3 + N

Product 900759 was added to Notepad.

Product 900759 was added to the cart.

Part No. 900770 MCB+POP 32A 3P+N

GTIN 4013364559578, Customs tariff No. (EU): 85363030, Gross weight: 491.40 g, PU: 1.00 pc(s)


Images

Additional information

"Protective device POP + MCB - 32A - 4P
Power frequency overvoltage protective devices
with integrated circuit breaker
POP as per EN IEC 63052
Prewired complete unit, no additional
wiring of single devices necessary
Number pf poles 3P + N
Tripping characteristic MCB / nominal current MCB C 32 A
Rated breaking capacity as per EN 60898 6 kA
DIN rail mounted device as per DIN 43880, 5 modules"


Brand: DEHN
Type: MCB+POP 32A 3P+N
Part No.: 900770
or equivalent.

Certificates

 

Technical data

General
Dimensions 5 Standard DIN module, DIN 43880
POP
Nominal AC voltage [L-N] (UN ) 230 V
Nominal AC voltage [L-L] (UN ) 400 V
Maximum tripping time [Ua = 255 V] (tA ) No tripping
Minimum non-tripping time [Ua = 255 V] (tA ) No tripping
Maximum tripping time [Ua = 275 V] (tA ) 15 sec.
Minimum non-tripping time [Ua = 275 V] (tA ) 3 sec.
Maximum tripping time [Ua = 300 V] (tA ) 5 sec.
Minimum non-tripping time [Ua = 300 V] (tA ) 1 sec.
Maximum tripping time [Ua = 350 V] (tA ) 0.75 sec.
Minimum non-tripping time [Ua = 350 V] (tA ) 0.25 sec.
Maximum tripping time [Ua = 400 V] (tA ) 0.2 sec.
Minimum non-tripping time [Ua = 400 V] (tA ) 0.07 sec.
MCB
Tripping characteristic C
Nominal AC voltage (UN ) 230 / 400 V
Version 3 + N

Product 900770 was added to Notepad.

Product 900770 was added to the cart.

Part No. 900771 MCB+POP 40A 3P+N

GTIN 4013364559585, Customs tariff No. (EU): 85363030, Gross weight: 491.40 g, PU: 1.00 pc(s)


Images

Additional information

Protective device POP + MCB - 40A - 4P
Power frequency overvoltage protective devices
with integrated circuit breaker
POP as per EN IEC 63052
Prewired complete unit, no additional
wiring of single devices necessary
Number pf poles 3P + N
Tripping characteristic MCB / nominal current MCB C 40 A
Rated breaking capacity as per EN 60898 6 kA
DIN rail mounted device as per DIN 43880, 5 modules


Brand: DEHN
Type: MCB+POP 40A 3P+N
Part No.: 900771
or equivalent.

Certificates

 

Technical data

General
Dimensions 5 Standard DIN module, DIN 43880
POP
Nominal AC voltage [L-N] (UN ) 230 V
Nominal AC voltage [L-L] (UN ) 400 V
Maximum tripping time [Ua = 255 V] (tA ) No tripping
Minimum non-tripping time [Ua = 255 V] (tA ) No tripping
Maximum tripping time [Ua = 275 V] (tA ) 15 sec.
Minimum non-tripping time [Ua = 275 V] (tA ) 3 sec.
Maximum tripping time [Ua = 300 V] (tA ) 5 sec.
Minimum non-tripping time [Ua = 300 V] (tA ) 1 sec.
Maximum tripping time [Ua = 350 V] (tA ) 0.75 sec.
Minimum non-tripping time [Ua = 350 V] (tA ) 0.25 sec.
Maximum tripping time [Ua = 400 V] (tA ) 0.2 sec.
Minimum non-tripping time [Ua = 400 V] (tA ) 0.07 sec.
MCB
Tripping characteristic C
Nominal AC voltage (UN ) 230 / 400 V
Version 3 + N

Product 900771 was added to Notepad.

Product 900771 was added to the cart.

Part No. 900772 MCB+POP 50A 3P+N

GTIN 4013364559592, Customs tariff No. (EU): 85363030, Gross weight: 491.40 g, PU: 1.00 pc(s)


Images

Additional information

"Protective device POP + MCB - 50A - 4P
Power frequency overvoltage protective devices
with integrated circuit breaker
POP as per EN IEC 63052
Prewired complete unit, no additional
wiring of single devices necessary
Number pf poles 3P + N
Tripping characteristic MCB / nominal current MCB C 50 A
Rated breaking capacity as per EN 60898 6 kA
DIN rail mounted device as per DIN 43880, 5 modules"


Brand: DEHN
Type: MCB+POP 50A 3P+N
Part No.: 900772
or equivalent.

Certificates

 

Technical data

General
Dimensions 5 Standard DIN module, DIN 43880
POP
Nominal AC voltage [L-N] (UN ) 230 V
Nominal AC voltage [L-L] (UN ) 400 V
Maximum tripping time [Ua = 255 V] (tA ) No tripping
Minimum non-tripping time [Ua = 255 V] (tA ) No tripping
Maximum tripping time [Ua = 275 V] (tA ) 15 sec.
Minimum non-tripping time [Ua = 275 V] (tA ) 3 sec.
Maximum tripping time [Ua = 300 V] (tA ) 5 sec.
Minimum non-tripping time [Ua = 300 V] (tA ) 1 sec.
Maximum tripping time [Ua = 350 V] (tA ) 0.75 sec.
Minimum non-tripping time [Ua = 350 V] (tA ) 0.25 sec.
Maximum tripping time [Ua = 400 V] (tA ) 0.2 sec.
Minimum non-tripping time [Ua = 400 V] (tA ) 0.07 sec.
MCB
Tripping characteristic C
Nominal AC voltage (UN ) 230 / 400 V
Version 3 + N

Product 900772 was added to Notepad.

Product 900772 was added to the cart.

Part No. 900773 MCB+POP 63A 3P+N

GTIN 4013364559608, Customs tariff No. (EU): 85363030, Gross weight: 491.40 g, PU: 1.00 pc(s)


Images

Additional information

Protective device POP + MCB - 63A - 4P
Power frequency overvoltage protective devices
with integrated circuit breaker
POP as per EN IEC 63052
Prewired complete unit, no additional
wiring of single devices necessary
Number pf poles 3P + N
Tripping characteristic MCB / nominal current MCB C 63 A
Rated breaking capacity as per EN 60898 6 kA
DIN rail mounted device as per DIN 43880, 5 modules


Brand: DEHN
Type: MCB+POP 63A 3P+N
Part No.: 900773
or equivalent.

Certificates

 

Technical data

General
Dimensions 5 Standard DIN module, DIN 43880
POP
Nominal AC voltage [L-N] (UN ) 230 V
Nominal AC voltage [L-L] (UN ) 400 V
Maximum tripping time [Ua = 255 V] (tA ) No tripping
Minimum non-tripping time [Ua = 255 V] (tA ) No tripping
Maximum tripping time [Ua = 275 V] (tA ) 15 sec.
Minimum non-tripping time [Ua = 275 V] (tA ) 3 sec.
Maximum tripping time [Ua = 300 V] (tA ) 5 sec.
Minimum non-tripping time [Ua = 300 V] (tA ) 1 sec.
Maximum tripping time [Ua = 350 V] (tA ) 0.75 sec.
Minimum non-tripping time [Ua = 350 V] (tA ) 0.25 sec.
Maximum tripping time [Ua = 400 V] (tA ) 0.2 sec.
Minimum non-tripping time [Ua = 400 V] (tA ) 0.07 sec.
MCB
Tripping characteristic C
Nominal AC voltage (UN ) 230 / 400 V
Version 3 + N

Product 900773 was added to Notepad.

Product 900773 was added to the cart.


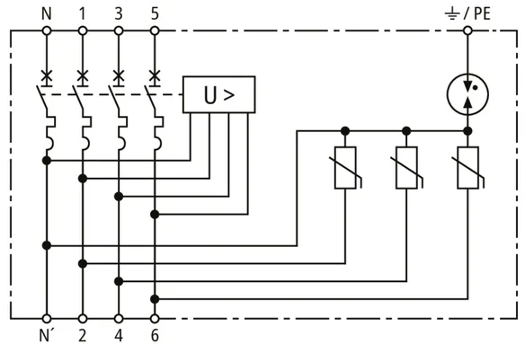
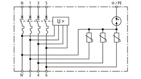
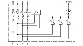
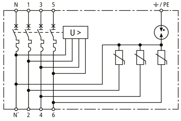
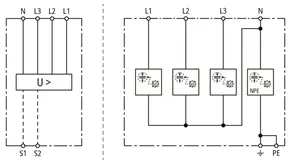
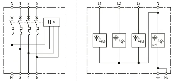
MCB+POP+SPD 1P+N

8 Products

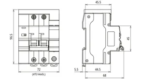
Part No. 900774 MCB+POP+SPD 16A 1P+N

GTIN 4013364559615, Customs tariff No. (EU): 85363010, Gross weight: 438.30 g, PU: 1.00 pc(s)


Images

Additional information

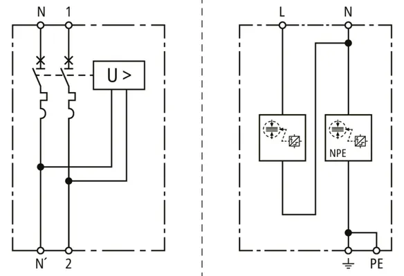
Protective device POP + MCB - 16A - 2P
Power frequency and transient overvoltage protective devices
with integrated circuit breaker
POP as per EN IEC 63052
Prewired complete unit, no additional
wiring of single devices necessary
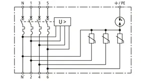
Number pf poles 1P + N
Tripping characteristic MCB / nominal current MCB C 16 A
Rated breaking capacity as per EN 60898 6 kA
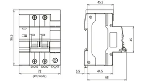
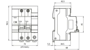
DIN rail mounted device as per DIN 43880, 3 modules

Brand: DEHN
Type: MCB+POP+SPD 16A 1P+N
Part No.: 900774
or equivalent.

Certificates

 

Technical data

General
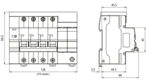
Dimensions 4 Standard DIN module, DIN 43880
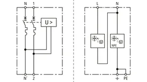
SPD
SPD according to EN 61643-11 / ... IEC 61643-11 Type 2 / class II
Max. continuous operating voltage (a.c.) [L-N] (UC ) 275 V
Max. continuous operating voltage (a.c.) [N-PE] (UC ) 255 V
Max. discharge current (8/20 µs) [L-N] (Imax ) 15 kA
Max. discharge current (8/20 µs) [N-PE] (Imax ) 20 kA
Nominal discharge current (8/20 µs) [L-N] (In ) 5 kA
Nominal discharge current (8/20 µs) [N-PE] (In ) 10 kA
Voltage protection level [L-N] (UP ) 1.5 kV
Voltage protection level [N-PE] (UP ) 1.5 kV
POP
Nominal AC voltage [L-N] (UN ) 230 V
Nominal AC voltage [L-L] (UN ) 400 V
Maximum tripping time [Ua = 255 V] (tA ) No tripping
Minimum non-tripping time [Ua = 255 V] (tA ) No tripping
Maximum tripping time [Ua = 275 V] (tA ) 15 sec.
Minimum non-tripping time [Ua = 275 V] (tA ) 3 sec.
Maximum tripping time [Ua = 300 V] (tA ) 5 sec.
Minimum non-tripping time [Ua = 300 V] (tA ) 1 sec.
Maximum tripping time [Ua = 350 V] (tA ) 0.75 sec.
Minimum non-tripping time [Ua = 350 V] (tA ) 0.25 sec.
Maximum tripping time [Ua = 400 V] (tA ) 0.2 sec.
Minimum non-tripping time [Ua = 400 V] (tA ) 0.07 sec.
MCB
Tripping characteristic C
Nominal AC voltage (UN ) 230 / 400 V
Version 1 + N

Product 900774 was added to Notepad.

Product 900774 was added to the cart.

Part No. 900775 MCB+POP+SPD 20A 1P+N

GTIN 4013364559622, Customs tariff No. (EU): 85363030, Gross weight: 438.30 g, PU: 1.00 pc(s)


Images

Additional information

Protective device POP + MCB - 20A - 2P
Power frequency and transient overvoltage protective devices
with integrated circuit breaker
POP as per EN IEC 63052
Prewired complete unit, no additional
wiring of single devices necessary
Number pf poles 1P + N
Tripping characteristic MCB / nominal current MCB C 20 A
Rated breaking capacity as per EN 60898 6 kA
DIN rail mounted device as per DIN 43880, 3 modules


Brand: DEHN
Type: MCB+POP+SPD 20A 1P+N
Part No.: 900775
or equivalent.

 

Technical data

General
Dimensions 4 Standard DIN module, DIN 43880
SPD
SPD according to EN 61643-11 / ... IEC 61643-11 Type 2 / class II
Max. continuous operating voltage (a.c.) [L-N] (UC ) 275 V
Max. continuous operating voltage (a.c.) [N-PE] (UC ) 255 V
Max. discharge current (8/20 µs) [L-N] (Imax ) 15 kA
Max. discharge current (8/20 µs) [N-PE] (Imax ) 20 kA
Nominal discharge current (8/20 µs) [L-N] (In ) 5 kA
Nominal discharge current (8/20 µs) [N-PE] (In ) 10 kA
Voltage protection level [L-N] (UP ) 1.5 kV
Voltage protection level [N-PE] (UP ) 1.5 kV
POP
Nominal AC voltage [L-N] (UN ) 230 V
Nominal AC voltage [L-L] (UN ) 400 V
Maximum tripping time [Ua = 255 V] (tA ) No tripping
Minimum non-tripping time [Ua = 255 V] (tA ) No tripping
Maximum tripping time [Ua = 275 V] (tA ) 15 sec.
Minimum non-tripping time [Ua = 275 V] (tA ) 3 sec.
Maximum tripping time [Ua = 300 V] (tA ) 5 sec.
Minimum non-tripping time [Ua = 300 V] (tA ) 1 sec.
Maximum tripping time [Ua = 350 V] (tA ) 0.75 sec.
Minimum non-tripping time [Ua = 350 V] (tA ) 0.25 sec.
Maximum tripping time [Ua = 400 V] (tA ) 0.2 sec.
Minimum non-tripping time [Ua = 400 V] (tA ) 0.07 sec.
MCB
Tripping characteristic C
Nominal AC voltage (UN ) 230 / 400 V
Version 1 + N

Product 900775 was added to Notepad.

Product 900775 was added to the cart.

Part No. 900776 MCB+POP+SPD 25A 1P+N

GTIN 4013364559639, Customs tariff No. (EU): 85363030, Gross weight: 438.30 g, PU: 1.00 pc(s)


Images

Additional information

Protective device POP + MCB - 25A - 2P
Power frequency and transient overvoltage protective devices
with integrated circuit breaker
POP as per EN IEC 63052
Prewired complete unit, no additional
wiring of single devices necessary
Number pf poles 1P + N
Tripping characteristic MCB / nominal current MCB C 25 A
Rated breaking capacity as per EN 60898 6 kA
DIN rail mounted device as per DIN 43880, 3 modules


Brand: DEHN
Type: MCB+POP+SPD 25A 1P+N
Part No.: 900776
or equivalent.

 

Technical data

General
Dimensions 4 Standard DIN module, DIN 43880
SPD
SPD according to EN 61643-11 / ... IEC 61643-11 Type 2 / class II
Max. continuous operating voltage (a.c.) [L-N] (UC ) 275 V
Max. continuous operating voltage (a.c.) [N-PE] (UC ) 255 V
Max. discharge current (8/20 µs) [L-N] (Imax ) 15 kA
Max. discharge current (8/20 µs) [N-PE] (Imax ) 20 kA
Nominal discharge current (8/20 µs) [L-N] (In ) 5 kA
Nominal discharge current (8/20 µs) [N-PE] (In ) 10 kA
Voltage protection level [L-N] (UP ) 1.5 kV
Voltage protection level [N-PE] (UP ) 1.5 kV
POP
Nominal AC voltage [L-N] (UN ) 230 V
Nominal AC voltage [L-L] (UN ) 400 V
Maximum tripping time [Ua = 255 V] (tA ) No tripping
Minimum non-tripping time [Ua = 255 V] (tA ) No tripping
Maximum tripping time [Ua = 275 V] (tA ) 15 sec.
Minimum non-tripping time [Ua = 275 V] (tA ) 3 sec.
Maximum tripping time [Ua = 300 V] (tA ) 5 sec.
Minimum non-tripping time [Ua = 300 V] (tA ) 1 sec.
Maximum tripping time [Ua = 350 V] (tA ) 0.75 sec.
Minimum non-tripping time [Ua = 350 V] (tA ) 0.25 sec.
Maximum tripping time [Ua = 400 V] (tA ) 0.2 sec.
Minimum non-tripping time [Ua = 400 V] (tA ) 0.07 sec.
MCB
Tripping characteristic C
Nominal AC voltage (UN ) 230 / 400 V
Version 1 + N

Product 900776 was added to Notepad.

Product 900776 was added to the cart.

Part No. 900777 MCB+POP+SPD 32A 1P+N

GTIN 4013364559646, Customs tariff No. (EU): 85363030, Gross weight: 438.30 g, PU: 1.00 pc(s)


Images

Additional information

Protective device POP + MCB - 32A - 2P
Power frequency and transient overvoltage protective devices
with integrated circuit breaker
POP as per EN IEC 63052
Prewired complete unit, no additional
wiring of single devices necessary
Number pf poles 1P + N
Tripping characteristic MCB / nominal current MCB C 32 A
Rated breaking capacity as per EN 60898 6 kA
DIN rail mounted device as per DIN 43880, 3 modules


Brand: DEHN
Type: MCB+POP+SPD 32A 1P+N
Part No.: 900777
or equivalent.

 

Technical data

General
Dimensions 4 Standard DIN module, DIN 43880
SPD
SPD according to EN 61643-11 / ... IEC 61643-11 Type 2 / class II
Max. continuous operating voltage (a.c.) [L-N] (UC ) 275 V
Max. continuous operating voltage (a.c.) [N-PE] (UC ) 255 V
Max. discharge current (8/20 µs) [L-N] (Imax ) 15 kA
Max. discharge current (8/20 µs) [N-PE] (Imax ) 20 kA
Nominal discharge current (8/20 µs) [L-N] (In ) 5 kA
Nominal discharge current (8/20 µs) [N-PE] (In ) 10 kA
Voltage protection level [L-N] (UP ) 1.5 kV
Voltage protection level [N-PE] (UP ) 1.5 kV
POP
Nominal AC voltage [L-N] (UN ) 230 V
Nominal AC voltage [L-L] (UN ) 400 V
Maximum tripping time [Ua = 255 V] (tA ) No tripping
Minimum non-tripping time [Ua = 255 V] (tA ) No tripping
Maximum tripping time [Ua = 275 V] (tA ) 15 sec.
Minimum non-tripping time [Ua = 275 V] (tA ) 3 sec.
Maximum tripping time [Ua = 300 V] (tA ) 5 sec.
Minimum non-tripping time [Ua = 300 V] (tA ) 1 sec.
Maximum tripping time [Ua = 350 V] (tA ) 0.75 sec.
Minimum non-tripping time [Ua = 350 V] (tA ) 0.25 sec.
Maximum tripping time [Ua = 400 V] (tA ) 0.2 sec.
Minimum non-tripping time [Ua = 400 V] (tA ) 0.07 sec.
MCB
Tripping characteristic C
Nominal AC voltage (UN ) 230 / 400 V
Version 1 + N

Product 900777 was added to Notepad.

Product 900777 was added to the cart.

Part No. 900778 MCB+POP+SPD 40A 1P+N

GTIN 4013364559653, Customs tariff No. (EU): 85363030, Gross weight: 438.30 g, PU: 1.00 pc(s)


Images

Additional information

Protective device POP + MCB - 40A - 2P
Power frequency and transient overvoltage protective devices
with integrated circuit breaker
POP as per EN IEC 63052
Prewired complete unit, no additional
wiring of single devices necessary
Number pf poles 1P + N
Tripping characteristic MCB / nominal current MCB C 40 A
Rated breaking capacity as per EN 60898 6 kA
DIN rail mounted device as per DIN 43880, 3 modules


Brand: DEHN
Type: MCB+POP+SPD 40A 1P+N
Part No.: 900778
or equivalent.

 

Technical data

General
Dimensions 4 Standard DIN module, DIN 43880
SPD
SPD according to EN 61643-11 / ... IEC 61643-11 Type 2 / class II
Max. continuous operating voltage (a.c.) [L-N] (UC ) 275 V
Max. continuous operating voltage (a.c.) [N-PE] (UC ) 255 V
Max. discharge current (8/20 µs) [L-N] (Imax ) 15 kA
Max. discharge current (8/20 µs) [N-PE] (Imax ) 20 kA
Nominal discharge current (8/20 µs) [L-N] (In ) 5 kA
Nominal discharge current (8/20 µs) [N-PE] (In ) 10 kA
Voltage protection level [L-N] (UP ) 1.5 kV
Voltage protection level [N-PE] (UP ) 1.5 kV
POP
Nominal AC voltage [L-N] (UN ) 230 V
Nominal AC voltage [L-L] (UN ) 400 V
Maximum tripping time [Ua = 255 V] (tA ) No tripping
Minimum non-tripping time [Ua = 255 V] (tA ) No tripping
Maximum tripping time [Ua = 275 V] (tA ) 15 sec.
Minimum non-tripping time [Ua = 275 V] (tA ) 3 sec.
Maximum tripping time [Ua = 300 V] (tA ) 5 sec.
Minimum non-tripping time [Ua = 300 V] (tA ) 1 sec.
Maximum tripping time [Ua = 350 V] (tA ) 0.75 sec.
Minimum non-tripping time [Ua = 350 V] (tA ) 0.25 sec.
Maximum tripping time [Ua = 400 V] (tA ) 0.2 sec.
Minimum non-tripping time [Ua = 400 V] (tA ) 0.07 sec.
MCB
Tripping characteristic C
Nominal AC voltage (UN ) 230 / 400 V
Version 1 + N

Product 900778 was added to Notepad.

Product 900778 was added to the cart.

Part No. 900779 MCB+POP+SPD 50A 1P+N

GTIN 4013364559660, Customs tariff No. (EU): 85363030, Gross weight: 438.30 g, PU: 1.00 pc(s)


Images

Additional information

Protective device POP + MCB - 50A - 2P
Power frequency and transient overvoltage protective devices
with integrated circuit breaker
POP as per EN IEC 63052
Prewired complete unit, no additional
wiring of single devices necessary
Number pf poles 1P + N
Tripping characteristic MCB / nominal current MCB C 50 A
Rated breaking capacity as per EN 60898 6 kA
DIN rail mounted device as per DIN 43880, 3 modules


Brand: DEHN
Type: MCB+POP+SPD 50A 1P+N
Part No.: 900779
or equivalent.

 

Technical data

General
Dimensions 4 Standard DIN module, DIN 43880
SPD
SPD according to EN 61643-11 / ... IEC 61643-11 Type 2 / class II
Max. continuous operating voltage (a.c.) [L-N] (UC ) 275 V
Max. continuous operating voltage (a.c.) [N-PE] (UC ) 255 V
Max. discharge current (8/20 µs) [L-N] (Imax ) 15 kA
Max. discharge current (8/20 µs) [N-PE] (Imax ) 20 kA
Nominal discharge current (8/20 µs) [L-N] (In ) 5 kA
Nominal discharge current (8/20 µs) [N-PE] (In ) 10 kA
Voltage protection level [L-N] (UP ) 1.5 kV
Voltage protection level [N-PE] (UP ) 1.5 kV
POP
Nominal AC voltage [L-N] (UN ) 230 V
Nominal AC voltage [L-L] (UN ) 400 V
Maximum tripping time [Ua = 255 V] (tA ) No tripping
Minimum non-tripping time [Ua = 255 V] (tA ) No tripping
Maximum tripping time [Ua = 275 V] (tA ) 15 sec.
Minimum non-tripping time [Ua = 275 V] (tA ) 3 sec.
Maximum tripping time [Ua = 300 V] (tA ) 5 sec.
Minimum non-tripping time [Ua = 300 V] (tA ) 1 sec.
Maximum tripping time [Ua = 350 V] (tA ) 0.75 sec.
Minimum non-tripping time [Ua = 350 V] (tA ) 0.25 sec.
Maximum tripping time [Ua = 400 V] (tA ) 0.2 sec.
Minimum non-tripping time [Ua = 400 V] (tA ) 0.07 sec.
MCB
Tripping characteristic C
Nominal AC voltage (UN ) 230 / 400 V
Version 1 + N

Product 900779 was added to Notepad.

Product 900779 was added to the cart.

Part No. 900790 MCB+POP+SPD 63A 1P+N

GTIN 4013364559677, Customs tariff No. (EU): 85363030, Gross weight: 438.30 g, PU: 1.00 pc(s)


Images

Additional information

"Protective device POP + MCB - 63A - 2P
Power frequency and transient overvoltage protective devices
with integrated circuit breaker
POP as per EN IEC 63052
Prewired complete unit, no additional
wiring of single devices necessary
Number pf poles 1P + N
Tripping characteristic MCB / nominal current MCB C 63 A
Rated breaking capacity as per EN 60898 6 kA
DIN rail mounted device as per DIN 43880, 3 modules"


Brand: DEHN
Type: MCB+POP+SPD 63A 1P+N
Part No.: 900790
or equivalent.

 

Technical data

General
Dimensions 4 Standard DIN module, DIN 43880
SPD
SPD according to EN 61643-11 / ... IEC 61643-11 Type 2 / class II
Max. continuous operating voltage (a.c.) [L-N] (UC ) 275 V
Max. continuous operating voltage (a.c.) [N-PE] (UC ) 255 V
Max. discharge current (8/20 µs) [L-N] (Imax ) 15 kA
Max. discharge current (8/20 µs) [N-PE] (Imax ) 20 kA
Nominal discharge current (8/20 µs) [L-N] (In ) 5 kA
Nominal discharge current (8/20 µs) [N-PE] (In ) 10 kA
Voltage protection level [L-N] (UP ) 1.5 kV
Voltage protection level [N-PE] (UP ) 1.5 kV
POP
Nominal AC voltage [L-N] (UN ) 230 V
Nominal AC voltage [L-L] (UN ) 400 V
Maximum tripping time [Ua = 255 V] (tA ) No tripping
Minimum non-tripping time [Ua = 255 V] (tA ) No tripping
Maximum tripping time [Ua = 275 V] (tA ) 15 sec.
Minimum non-tripping time [Ua = 275 V] (tA ) 3 sec.
Maximum tripping time [Ua = 300 V] (tA ) 5 sec.
Minimum non-tripping time [Ua = 300 V] (tA ) 1 sec.
Maximum tripping time [Ua = 350 V] (tA ) 0.75 sec.
Minimum non-tripping time [Ua = 350 V] (tA ) 0.25 sec.
Maximum tripping time [Ua = 400 V] (tA ) 0.2 sec.
Minimum non-tripping time [Ua = 400 V] (tA ) 0.07 sec.
MCB
Tripping characteristic C
Nominal AC voltage (UN ) 230 / 400 V
Version 1 + N

Product 900790 was added to Notepad.

Product 900790 was added to the cart.

Part No. 900791 MCB+POP+SPD 80A 1P+N

GTIN 4013364559684, Customs tariff No. (EU): 85363030, Gross weight: 438.30 g, PU: 1.00 pc(s)


Images

Additional information

Protective device POP + MCB - 80A - 2P
Power frequency and transient overvoltage protective devices
with integrated circuit breaker
POP as per EN IEC 63052
Prewired complete unit, no additional
wiring of single devices necessary
Number pf poles 1P + N
Tripping characteristic MCB / nominal current MCB C 80 A
Rated breaking capacity as per EN 60898 6 kA
DIN rail mounted device as per DIN 43880, 3 modules


Brand: DEHN
Type: MCB+POP+SPD 80A 1P+N
Part No.: 900791
or equivalent.

 

Technical data

General
Dimensions 4 Standard DIN module, DIN 43880
SPD
SPD according to EN 61643-11 / ... IEC 61643-11 Type 2 / class II
Max. continuous operating voltage (a.c.) [L-N] (UC ) 275 V
Max. continuous operating voltage (a.c.) [N-PE] (UC ) 255 V
Max. discharge current (8/20 µs) [L-N] (Imax ) 15 kA
Max. discharge current (8/20 µs) [N-PE] (Imax ) 20 kA
Nominal discharge current (8/20 µs) [L-N] (In ) 5 kA
Nominal discharge current (8/20 µs) [N-PE] (In ) 10 kA
Voltage protection level [L-N] (UP ) 1.5 kV
Voltage protection level [N-PE] (UP ) 1.5 kV
POP
Nominal AC voltage [L-N] (UN ) 230 V
Nominal AC voltage [L-L] (UN ) 400 V
Maximum tripping time [Ua = 255 V] (tA ) No tripping
Minimum non-tripping time [Ua = 255 V] (tA ) No tripping
Maximum tripping time [Ua = 275 V] (tA ) 15 sec.
Minimum non-tripping time [Ua = 275 V] (tA ) 3 sec.
Maximum tripping time [Ua = 300 V] (tA ) 5 sec.
Minimum non-tripping time [Ua = 300 V] (tA ) 1 sec.
Maximum tripping time [Ua = 350 V] (tA ) 0.75 sec.
Minimum non-tripping time [Ua = 350 V] (tA ) 0.25 sec.
Maximum tripping time [Ua = 400 V] (tA ) 0.2 sec.
Minimum non-tripping time [Ua = 400 V] (tA ) 0.07 sec.
MCB
Tripping characteristic C
Nominal AC voltage (UN ) 230 / 400 V
Version 1 + N

Product 900791 was added to Notepad.

Product 900791 was added to the cart.


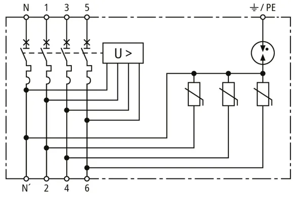
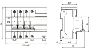
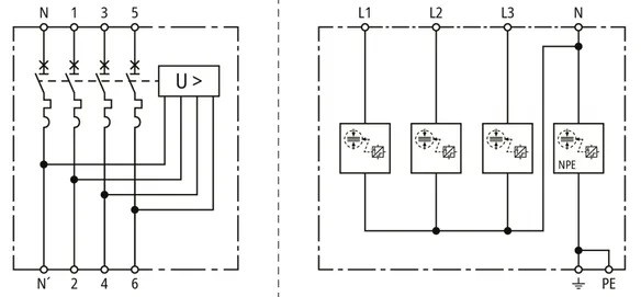
MCB+POP+SPD 3P+N

8 Products

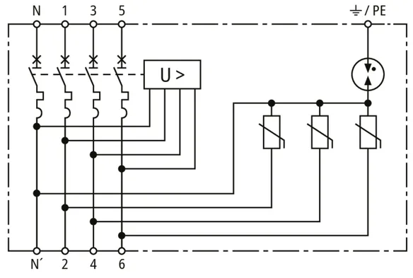
Part No. 900792 MCB+POP+SPD 16A 3P+N

GTIN 4013364559691, Customs tariff No. (EU): 85363010, Gross weight: 780.00 g, PU: 1.00 pc(s)


Images

Additional information

Protective device POP + MCB - 16A - 4P
Power frequency and transient overvoltage protective devices
with integrated circuit breaker
POP as per EN IEC 63052
Prewired complete unit, no additional
wiring of single devices necessary
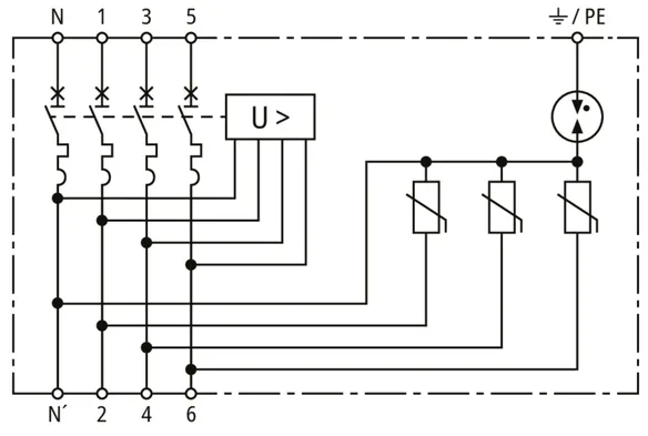
Number pf poles 3P + N
Tripping characteristic MCB / nominal current MCB C 16 A
Rated breaking capacity as per EN 60898 6 kA
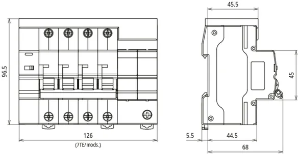
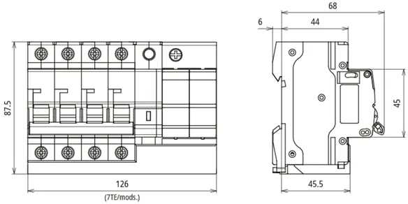
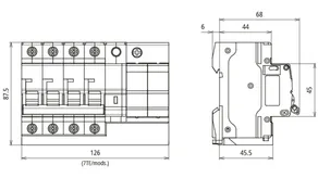
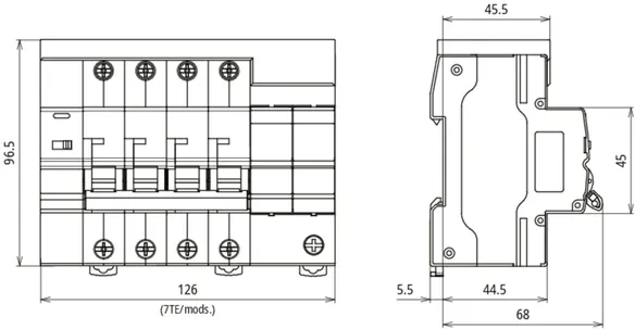
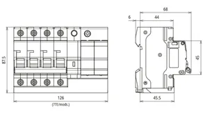
DIN rail mounted device as per DIN 43880, 8 modules


Brand: DEHN
Type: MCB+POP+SPD 16A 3P+N
Part No.: 900792
or equivalent.

Certificates

 

Technical data

General
Dimensions 7 Standard DIN module, DIN 43880
SPD
SPD according to EN 61643-11 / ... IEC 61643-11 Type 2 / class II
Max. continuous operating voltage (a.c.) [L-N] (UC ) 275 V
Max. continuous operating voltage (a.c.) [N-PE] (UC ) 255 V
Max. discharge current (8/20 µs) [L-N] (Imax ) 20 kA
Max. discharge current (8/20 µs) [N-PE] (Imax ) 40 kA
Nominal discharge current (8/20 µs) [L-N] (In ) 5 kA
Nominal discharge current (8/20 µs) [N-PE] (In ) 20 kA
Voltage protection level [L-N] (UP ) 1.5 kV
Voltage protection level [N-PE] (UP ) 1.5 kV
POP
Nominal AC voltage [L-N] (UN ) 230 V
Nominal AC voltage [L-L] (UN ) 400 V
Maximum tripping time [Ua = 255 V] (tA ) No tripping
Minimum non-tripping time [Ua = 255 V] (tA ) No tripping
Maximum tripping time [Ua = 275 V] (tA ) 15 sec.
Minimum non-tripping time [Ua = 275 V] (tA ) 3 sec.
Maximum tripping time [Ua = 300 V] (tA ) 5 sec.
Minimum non-tripping time [Ua = 300 V] (tA ) 1 sec.
Maximum tripping time [Ua = 350 V] (tA ) 0.75 sec.
Minimum non-tripping time [Ua = 350 V] (tA ) 0.25 sec.
Maximum tripping time [Ua = 400 V] (tA ) 0.2 sec.
Minimum non-tripping time [Ua = 400 V] (tA ) 0.07 sec.
MCB
Tripping characteristic C
Nominal AC voltage (UN ) 230 / 400 V
Version 3 + N

Product 900792 was added to Notepad.

Product 900792 was added to the cart.

Part No. 900793 MCB+POP+SPD 20A 3P+N

GTIN 4013364559707, Customs tariff No. (EU): 85363030, Gross weight: 780.00 g, PU: 1.00 pc(s)


Images

Additional information

Protective device POP + MCB - 20A - 4P
Power frequency and transient overvoltage protective devices
with integrated circuit breaker
POP as per EN IEC 63052
Prewired complete unit, no additional
wiring of single devices necessary
Number pf poles 3P + N
Tripping characteristic MCB / nominal current MCB C 20 A
Rated breaking capacity as per EN 60898 6 kA
DIN rail mounted device as per DIN 43880, 8 modules


Brand: DEHN
Type: MCB+POP+SPD 20A 3P+N
Part No.: 900793
or equivalent.

 

Technical data

General
Dimensions 7 Standard DIN module, DIN 43880
SPD
SPD according to EN 61643-11 / ... IEC 61643-11 Type 2 / class II
Max. continuous operating voltage (a.c.) [L-N] (UC ) 275 V
Max. continuous operating voltage (a.c.) [N-PE] (UC ) 255 V
Max. discharge current (8/20 µs) [L-N] (Imax ) 20 kA
Max. discharge current (8/20 µs) [N-PE] (Imax ) 40 kA
Nominal discharge current (8/20 µs) [L-N] (In ) 5 kA
Nominal discharge current (8/20 µs) [N-PE] (In ) 20 kA
Voltage protection level [L-N] (UP ) 1.5 kV
Voltage protection level [N-PE] (UP ) 1.5 kV
POP
Nominal AC voltage [L-N] (UN ) 230 V
Nominal AC voltage [L-L] (UN ) 400 V
Maximum tripping time [Ua = 255 V] (tA ) No tripping
Minimum non-tripping time [Ua = 255 V] (tA ) No tripping
Maximum tripping time [Ua = 275 V] (tA ) 15 sec.
Minimum non-tripping time [Ua = 275 V] (tA ) 3 sec.
Maximum tripping time [Ua = 300 V] (tA ) 5 sec.
Minimum non-tripping time [Ua = 300 V] (tA ) 1 sec.
Maximum tripping time [Ua = 350 V] (tA ) 0.75 sec.
Minimum non-tripping time [Ua = 350 V] (tA ) 0.25 sec.
Maximum tripping time [Ua = 400 V] (tA ) 0.2 sec.
Minimum non-tripping time [Ua = 400 V] (tA ) 0.07 sec.
MCB
Tripping characteristic C
Nominal AC voltage (UN ) 230 / 400 V
Version 3 + N

Product 900793 was added to Notepad.

Product 900793 was added to the cart.

Part No. 900794 MCB+POP+SPD 25A 3P+N

GTIN 4013364559714, Customs tariff No. (EU): 85363030, Gross weight: 780.00 g, PU: 1.00 pc(s)


Images

Additional information

Protective device POP + MCB - 25A - 4P
Power frequency and transient overvoltage protective devices
with integrated circuit breaker
POP as per EN IEC 63052
Prewired complete unit, no additional
wiring of single devices necessary
Number pf poles 3P + N
Tripping characteristic MCB / nominal current MCB C 25 A
Rated breaking capacity as per EN 60898 6 kA
DIN rail mounted device as per DIN 43880, 8 modules


Brand: DEHN
Type: MCB+POP+SPD 25A 3P+N
Part No.: 900794
or equivalent.

 

Technical data

General
Dimensions 7 Standard DIN module, DIN 43880
SPD
SPD according to EN 61643-11 / ... IEC 61643-11 Type 2 / class II
Max. continuous operating voltage (a.c.) [L-N] (UC ) 275 V
Max. continuous operating voltage (a.c.) [N-PE] (UC ) 255 V
Max. discharge current (8/20 µs) [L-N] (Imax ) 20 kA
Max. discharge current (8/20 µs) [N-PE] (Imax ) 40 kA
Nominal discharge current (8/20 µs) [L-N] (In ) 5 kA
Nominal discharge current (8/20 µs) [N-PE] (In ) 20 kA
Voltage protection level [L-N] (UP ) 1.5 kV
Voltage protection level [N-PE] (UP ) 1.5 kV
POP
Nominal AC voltage [L-N] (UN ) 230 V
Nominal AC voltage [L-L] (UN ) 400 V
Maximum tripping time [Ua = 255 V] (tA ) No tripping
Minimum non-tripping time [Ua = 255 V] (tA ) No tripping
Maximum tripping time [Ua = 275 V] (tA ) 15 sec.
Minimum non-tripping time [Ua = 275 V] (tA ) 3 sec.
Maximum tripping time [Ua = 300 V] (tA ) 5 sec.
Minimum non-tripping time [Ua = 300 V] (tA ) 1 sec.
Maximum tripping time [Ua = 350 V] (tA ) 0.75 sec.
Minimum non-tripping time [Ua = 350 V] (tA ) 0.25 sec.
Maximum tripping time [Ua = 400 V] (tA ) 0.2 sec.
Minimum non-tripping time [Ua = 400 V] (tA ) 0.07 sec.
MCB
Tripping characteristic C
Nominal AC voltage (UN ) 230 / 400 V
Version 3 + N

Product 900794 was added to Notepad.

Product 900794 was added to the cart.

Part No. 900795 MCB+POP+SPD 32A 3P+N

GTIN 4013364559721, Customs tariff No. (EU): 85363030, Gross weight: 780.00 g, PU: 1.00 pc(s)


Images

Additional information

Protective device POP + MCB - 32 A - 4P
Power frequency and transient overvoltage protective devices
with integrated circuit breaker
POP as per EN IEC 63052
Prewired complete unit, no additional
wiring of single devices necessary
Number pf poles 3P + N
Tripping characteristic MCB / nominal current MCB C 32 A
Rated breaking capacity as per EN 60898 6 kA
DIN rail mounted device as per DIN 43880, 8 modules


Brand: DEHN
Type: MCB+POP+SPD 32A 3P+N
Part No.: 900795
or equivalent.

 

Technical data

General
Dimensions 7 Standard DIN module, DIN 43880
SPD
SPD according to EN 61643-11 / ... IEC 61643-11 Type 2 / class II
Max. continuous operating voltage (a.c.) [L-N] (UC ) 275 V
Max. continuous operating voltage (a.c.) [N-PE] (UC ) 255 V
Max. discharge current (8/20 µs) [L-N] (Imax ) 20 kA
Max. discharge current (8/20 µs) [N-PE] (Imax ) 40 kA
Nominal discharge current (8/20 µs) [L-N] (In ) 5 kA
Nominal discharge current (8/20 µs) [N-PE] (In ) 20 kA
Voltage protection level [L-N] (UP ) 1.5 kV
Voltage protection level [N-PE] (UP ) 1.5 kV
POP
Nominal AC voltage [L-N] (UN ) 230 V
Nominal AC voltage [L-L] (UN ) 400 V
Maximum tripping time [Ua = 255 V] (tA ) No tripping
Minimum non-tripping time [Ua = 255 V] (tA ) No tripping
Maximum tripping time [Ua = 275 V] (tA ) 15 sec.
Minimum non-tripping time [Ua = 275 V] (tA ) 3 sec.
Maximum tripping time [Ua = 300 V] (tA ) 5 sec.
Minimum non-tripping time [Ua = 300 V] (tA ) 1 sec.
Maximum tripping time [Ua = 350 V] (tA ) 0.75 sec.
Minimum non-tripping time [Ua = 350 V] (tA ) 0.25 sec.
Maximum tripping time [Ua = 400 V] (tA ) 0.2 sec.
Minimum non-tripping time [Ua = 400 V] (tA ) 0.07 sec.
MCB
Tripping characteristic C
Nominal AC voltage (UN ) 230 / 400 V
Version 3 + N

Product 900795 was added to Notepad.

Product 900795 was added to the cart.

Part No. 900796 MCB+POP+SPD 40A 3P+N

GTIN 4013364559738, Customs tariff No. (EU): 85363030, Gross weight: 780.00 g, PU: 1.00 pc(s)


Images

Additional information

Protective device POP + MCB - 40 A - 4P
Power frequency and transient overvoltage protective devices
with integrated circuit breaker
POP as per EN IEC 63052
Prewired complete unit, no additional
wiring of single devices necessary
Number pf poles 3P + N
Tripping characteristic MCB / nominal current MCB C 40 A
Rated breaking capacity as per EN 60898 6 kA
DIN rail mounted device as per DIN 43880, 8 modules


Brand: DEHN
Type: MCB+POP+SPD 40A 3P+N
Part No.: 900796
or equivalent.

 

Technical data

General
Dimensions 7 Standard DIN module, DIN 43880
SPD
SPD according to EN 61643-11 / ... IEC 61643-11 Type 2 / class II
Max. continuous operating voltage (a.c.) [L-N] (UC ) 275 V
Max. continuous operating voltage (a.c.) [N-PE] (UC ) 255 V
Max. discharge current (8/20 µs) [L-N] (Imax ) 20 kA
Max. discharge current (8/20 µs) [N-PE] (Imax ) 40 kA
Nominal discharge current (8/20 µs) [L-N] (In ) 5 kA
Nominal discharge current (8/20 µs) [N-PE] (In ) 20 kA
Voltage protection level [L-N] (UP ) 1.5 kV
Voltage protection level [N-PE] (UP ) 1.5 kV
POP
Nominal AC voltage [L-N] (UN ) 230 V
Nominal AC voltage [L-L] (UN ) 400 V
Maximum tripping time [Ua = 255 V] (tA ) No tripping
Minimum non-tripping time [Ua = 255 V] (tA ) No tripping
Maximum tripping time [Ua = 275 V] (tA ) 15 sec.
Minimum non-tripping time [Ua = 275 V] (tA ) 3 sec.
Maximum tripping time [Ua = 300 V] (tA ) 5 sec.
Minimum non-tripping time [Ua = 300 V] (tA ) 1 sec.
Maximum tripping time [Ua = 350 V] (tA ) 0.75 sec.
Minimum non-tripping time [Ua = 350 V] (tA ) 0.25 sec.
Maximum tripping time [Ua = 400 V] (tA ) 0.2 sec.
Minimum non-tripping time [Ua = 400 V] (tA ) 0.07 sec.
MCB
Tripping characteristic C
Nominal AC voltage (UN ) 230 / 400 V
Version 3 + N

Product 900796 was added to Notepad.

Product 900796 was added to the cart.

Part No. 900797 MCB+POP+SPD 50A 3P+N

GTIN 4013364559745, Customs tariff No. (EU): 85363030, Gross weight: 780.00 g, PU: 1.00 pc(s)


Images

Additional information

Protective device POP + MCB - 63 A - 4P
Power frequency and transient overvoltage protective devices
with integrated circuit breaker
POP as per EN IEC 63052
Prewired complete unit, no additional
wiring of single devices necessary
Number pf poles 3P + N
Tripping characteristic MCB / nominal current MCB C 63 A
Rated breaking capacity as per EN 60898 6 kA
DIN rail mounted device as per DIN 43880, 8 modules


Brand: DEHN
Type: MCB+POP+SPD 50A 3P+N
Part No.: 900797
or equivalent.

 

Technical data

General
Dimensions 7 Standard DIN module, DIN 43880
SPD
SPD according to EN 61643-11 / ... IEC 61643-11 Type 2 / class II
Max. continuous operating voltage (a.c.) [L-N] (UC ) 275 V
Max. continuous operating voltage (a.c.) [N-PE] (UC ) 255 V
Max. discharge current (8/20 µs) [L-N] (Imax ) 20 kA
Max. discharge current (8/20 µs) [N-PE] (Imax ) 40 kA
Nominal discharge current (8/20 µs) [L-N] (In ) 5 kA
Nominal discharge current (8/20 µs) [N-PE] (In ) 20 kA
Voltage protection level [L-N] (UP ) 1.5 kV
Voltage protection level [N-PE] (UP ) 1.5 kV
POP
Nominal AC voltage [L-N] (UN ) 230 V
Nominal AC voltage [L-L] (UN ) 400 V
Maximum tripping time [Ua = 255 V] (tA ) No tripping
Minimum non-tripping time [Ua = 255 V] (tA ) No tripping
Maximum tripping time [Ua = 275 V] (tA ) 15 sec.
Minimum non-tripping time [Ua = 275 V] (tA ) 3 sec.
Maximum tripping time [Ua = 300 V] (tA ) 5 sec.
Minimum non-tripping time [Ua = 300 V] (tA ) 1 sec.
Maximum tripping time [Ua = 350 V] (tA ) 0.75 sec.
Minimum non-tripping time [Ua = 350 V] (tA ) 0.25 sec.
Maximum tripping time [Ua = 400 V] (tA ) 0.2 sec.
Minimum non-tripping time [Ua = 400 V] (tA ) 0.07 sec.
MCB
Tripping characteristic C
Nominal AC voltage (UN ) 230 / 400 V
Version 3 + N

Product 900797 was added to Notepad.

Product 900797 was added to the cart.

Part No. 900798 MCB+POP+SPD 63A 3P+N

GTIN 4013364559752, Customs tariff No. (EU): 85363030, Gross weight: 780.00 g, PU: 1.00 pc(s)


Images

Additional information

Protective device POP + MCB - 63 A - 4P
Power frequency and transient overvoltage protective devices
with integrated circuit breaker
POP as per EN IEC 63052
Prewired complete unit, no additional
wiring of single devices necessary
Number pf poles 3P + N
Tripping characteristic MCB / nominal current MCB C 63 A
Rated breaking capacity as per EN 60898 6 kA
DIN rail mounted device as per DIN 43880, 8 modules


Brand: DEHN
Type: MCB+POP+SPD 63A 3P+N
Part No.: 900798
or equivalent.

 

Technical data

General
Dimensions 7 Standard DIN module, DIN 43880
SPD
SPD according to EN 61643-11 / ... IEC 61643-11 Type 2 / class II
Max. continuous operating voltage (a.c.) [L-N] (UC ) 275 V
Max. continuous operating voltage (a.c.) [N-PE] (UC ) 255 V
Max. discharge current (8/20 µs) [L-N] (Imax ) 20 kA
Max. discharge current (8/20 µs) [N-PE] (Imax ) 40 kA
Nominal discharge current (8/20 µs) [L-N] (In ) 5 kA
Nominal discharge current (8/20 µs) [N-PE] (In ) 20 kA
Voltage protection level [L-N] (UP ) 1.5 kV
Voltage protection level [N-PE] (UP ) 1.5 kV
POP
Nominal AC voltage [L-N] (UN ) 230 V
Nominal AC voltage [L-L] (UN ) 400 V
Maximum tripping time [Ua = 255 V] (tA ) No tripping
Minimum non-tripping time [Ua = 255 V] (tA ) No tripping
Maximum tripping time [Ua = 275 V] (tA ) 15 sec.
Minimum non-tripping time [Ua = 275 V] (tA ) 3 sec.
Maximum tripping time [Ua = 300 V] (tA ) 5 sec.
Minimum non-tripping time [Ua = 300 V] (tA ) 1 sec.
Maximum tripping time [Ua = 350 V] (tA ) 0.75 sec.
Minimum non-tripping time [Ua = 350 V] (tA ) 0.25 sec.
Maximum tripping time [Ua = 400 V] (tA ) 0.2 sec.
Minimum non-tripping time [Ua = 400 V] (tA ) 0.07 sec.
MCB
Tripping characteristic C
Nominal AC voltage (UN ) 230 / 400 V
Version 3 + N

Product 900798 was added to Notepad.

Product 900798 was added to the cart.

Part No. 900799 MCB+POP+SPD 80A 3P+N

GTIN 4013364559769, Customs tariff No. (EU): 85363030, Gross weight: 780.00 g, PU: 1.00 pc(s)


Images

Additional information

Protective device POP + MCB - 80 A - 4P
Power frequency and transient overvoltage protective devices
with integrated circuit breaker
POP as per EN IEC 63052
Prewired complete unit, no additional
wiring of single devices necessary
Number pf poles 3P + N
Tripping characteristic MCB / nominal current MCB C 80 A
Rated breaking capacity as per EN 60898 6 kA
DIN rail mounted device as per DIN 43880, 8 modules


Brand: DEHN
Type: MCB+POP+SPD 80A 3P+N
Part No.: 900799
or equivalent.

 

Technical data

General
Dimensions 7 Standard DIN module, DIN 43880
SPD
SPD according to EN 61643-11 / ... IEC 61643-11 Type 2 / class II
Max. continuous operating voltage (a.c.) [L-N] (UC ) 275 V
Max. continuous operating voltage (a.c.) [N-PE] (UC ) 255 V
Max. discharge current (8/20 µs) [L-N] (Imax ) 20 kA
Max. discharge current (8/20 µs) [N-PE] (Imax ) 40 kA
Nominal discharge current (8/20 µs) [L-N] (In ) 5 kA
Nominal discharge current (8/20 µs) [N-PE] (In ) 20 kA
Voltage protection level [L-N] (UP ) 1.5 kV
Voltage protection level [N-PE] (UP ) 1.5 kV
POP
Nominal AC voltage [L-N] (UN ) 230 V
Nominal AC voltage [L-L] (UN ) 400 V
Maximum tripping time [Ua = 255 V] (tA ) No tripping
Minimum non-tripping time [Ua = 255 V] (tA ) No tripping
Maximum tripping time [Ua = 275 V] (tA ) 15 sec.
Minimum non-tripping time [Ua = 275 V] (tA ) 3 sec.
Maximum tripping time [Ua = 300 V] (tA ) 5 sec.
Minimum non-tripping time [Ua = 300 V] (tA ) 1 sec.
Maximum tripping time [Ua = 350 V] (tA ) 0.75 sec.
Minimum non-tripping time [Ua = 350 V] (tA ) 0.25 sec.
Maximum tripping time [Ua = 400 V] (tA ) 0.2 sec.
Minimum non-tripping time [Ua = 400 V] (tA ) 0.07 sec.
MCB
Tripping characteristic C
Nominal AC voltage (UN ) 230 / 400 V
Version 3 + N

Product 900799 was added to Notepad.

Product 900799 was added to the cart.


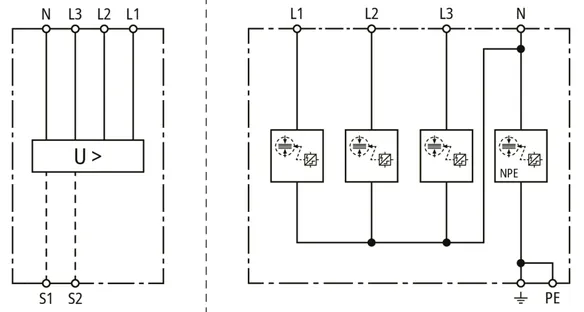
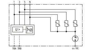
POP SA 3P 230

1 Product

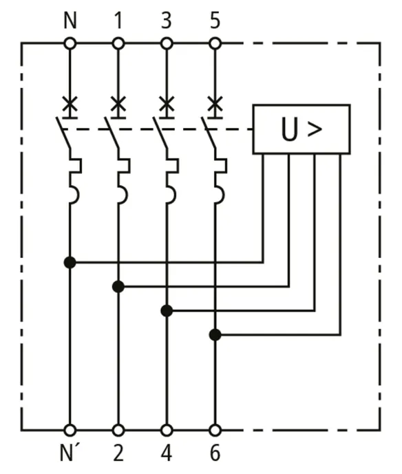
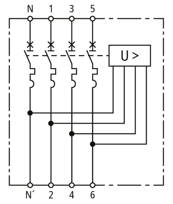
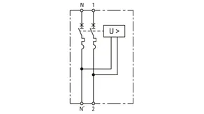
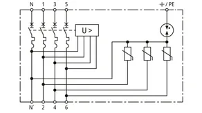
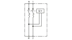
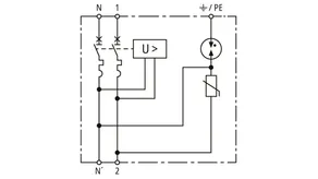
Part No. 900720 DEHNduo POP SA 3P 230

GTIN 4013364477377, Customs tariff No. (EU): 85363030, Gross weight: 175.44 g, PU: 1.00 pc(s)


Images

Additional information

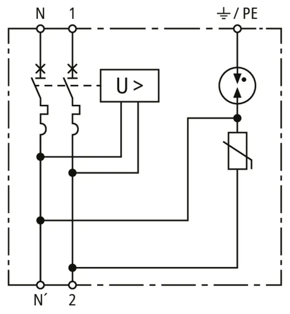
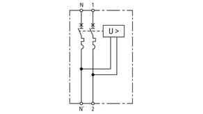
Protective device POP SA 3P 230
Protective device for
power-frequency overvoltages
for the triggering of external
circuit breakers
POP as per IEC 63052 cat. 4.1.3S2
Number pf poles 3P + N
Adjustable output switching signal
from 12V – 230V
DIN rail mounted device according to
DIN 43880, 2 modules

Brand: DEHN
Type: DEHNduo POP SA 3P 230
Part No.: 900720
or equivalent.

 

Technical data

General
Nominal voltage (a.c.) (UN ) 230 / 400 V
Number of poles 3P + N
POP
Max. non-tripping voltage (AC) 255 V
Max. tripping voltage AC 440 V
Tripping time at 400 V AC 140 ms
Tripping time at 275 V AC 9 sec
Tripping time at 300 V AC 3 sec
Tripping time at 350 V AC 0.5 sec
DC breaking capacityout 50 ms 230 V / 1 A; 48 V / 3 A; 24 V / 5 A; 12 V / 5 A
Power consumption 500 mW

Product 900720 was added to Notepad.

Product 900720 was added to the cart.


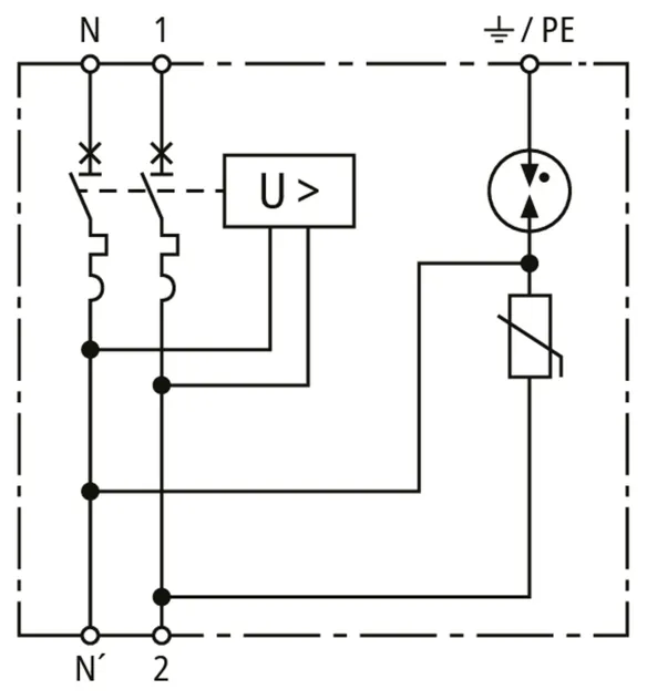
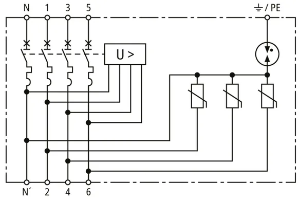
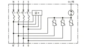
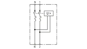
POP+SPD 3P+N

1 Product

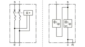
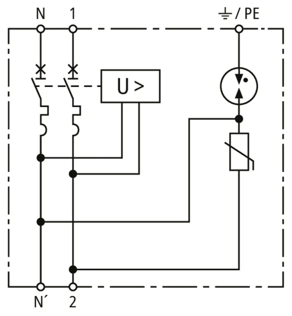
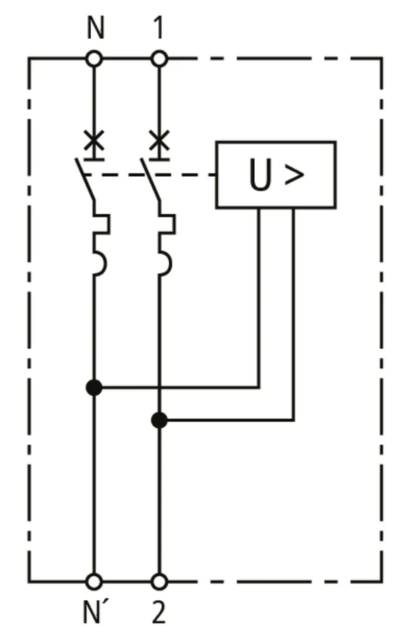
Part No. 900721 POP+SPD 3P+N

GTIN 4013364559776, Customs tariff No. (EU): 85363030, Gross weight: 360.50 g, PU: 1.00 pc(s)


Images

Additional information

Protective device POP + SPD
Power frequency and transient overvoltage protective devices
POP as per EN IEC 63052
Prewired complete unit, no additional
Number pf poles 3P + N

DIN rail mounted device as per DIN 43880, 4 modules


Brand: DEHN
Type: POP+SPD 3P+N
Part No.: 900721
or equivalent.

Certificates

 

Technical data

General
Dimensions 4 Standard DIN module, DIN 43880
SPD
SPD according to EN 61643-11 / ... IEC 61643-11 Type 2 / class II
Max. continuous operating voltage (a.c.) [L-N] (UC ) 275 V
Max. continuous operating voltage (a.c.) [N-PE] (UC ) 255 V
Max. discharge current (8/20 µs) [L-N] (Imax ) 40 kA
Max. discharge current (8/20 µs) [N-PE] (Imax ) 40 kA
Nominal discharge current (8/20 µs) [L-N] (In ) 20 kA
Nominal discharge current (8/20 µs) [N-PE] (In ) 20 kA
Voltage protection level [L-N] (UP ) 1.5 kV
Voltage protection level [N-PE] (UP ) 1.5 kV
POP
Nominal AC voltage [L-N] (UN ) 230 V
Nominal AC voltage [L-L] (UN ) 400 V
Maximum tripping time [Ua = 255 V] (tA ) No tripping
Minimum non-tripping time [Ua = 255 V] (tA ) No tripping
Maximum tripping time [Ua = 275 V] (tA ) 15 sec.
Minimum non-tripping time [Ua = 275 V] (tA ) 3 sec.
Maximum tripping time [Ua = 300 V] (tA ) 5 sec.
Minimum non-tripping time [Ua = 300 V] (tA ) 1 sec.
Maximum tripping time [Ua = 350 V] (tA ) 0.75 sec.
Minimum non-tripping time [Ua = 350 V] (tA ) 0.25 sec.
Maximum tripping time [Ua = 400 V] (tA ) 0.2 sec.
Minimum non-tripping time [Ua = 400 V] (tA ) 0.07 sec.

Product 900721 was added to Notepad.

Product 900721 was added to the cart.


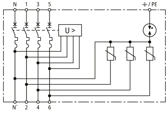
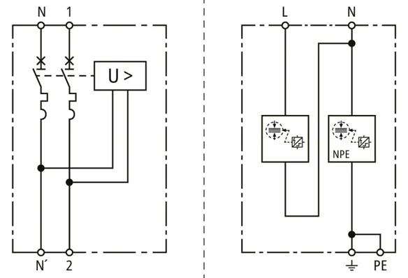
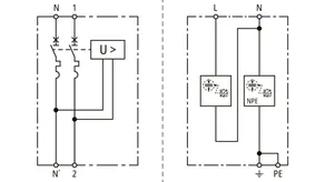
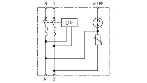
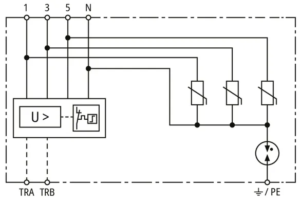
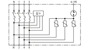
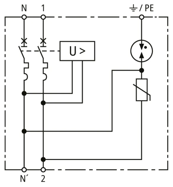
POP+RU+MCB+SPD 1P+N

The article will be available shortly.

7 Products

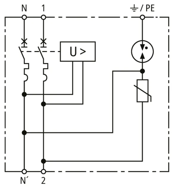
Part No. 900722 POP+RU+MCB+SPD 16A 1P+N

GTIN 4013364559288, Customs tariff No. (EU): 85363010, Gross weight: 456.10 g, PU: 1.00 pc(s)


Images

Additional information

Protective device POP + MCB + RU - 16 A - 2P
Power frequency and transient overvoltage protective devices
with integrated circuit breaker
POP as per EN IEC 63052
Reactivation after voltage has returned within the tolerance range
Prewired complete unit, no additional
wiring of single devices necessary
Number pf poles 1P + N
Tripping characteristic MCB / nominal current MCB C 16 A
Rated breaking capacity as per EN 60898 6 kA
DIN rail mounted device as per DIN 43880, 4 modules


Brand: DEHN
Type: POP+RU+MCB+SPD 16A 1P+N
Part No.: 900722
or equivalent.

 

Technical data

General
Dimensions 4 Standard DIN module, DIN 43880
SPD
SPD according to EN 61643-11 / ... IEC 61643-11 Type 2 / class II
Max. continuous operating voltage (a.c.) [L-N] (UC ) 275 V
Max. continuous operating voltage (a.c.) [N-PE] (UC ) 255 V
Max. discharge current (8/20 µs) [L-N] (Imax ) 15 kA
Max. discharge current (8/20 µs) [N-PE] (Imax ) 20 kA
Nominal discharge current (8/20 µs) [L-N] (In ) 5 kA
Nominal discharge current (8/20 µs) [N-PE] (In ) 10 kA
Voltage protection level [L-N] (UP ) 1.5 kV
Voltage protection level [N-PE] (UP ) 1.5 kV
POP
Nominal AC voltage [L-N] (UN ) 230 V
Nominal AC voltage [L-L] (UN ) 400 V
Maximum tripping time [Ua = 255 V] (tA ) No tripping
Minimum non-tripping time [Ua = 255 V] (tA ) No tripping
Maximum tripping time [Ua = 275 V] (tA ) 15 sec.
Minimum non-tripping time [Ua = 275 V] (tA ) 3 sec.
Maximum tripping time [Ua = 300 V] (tA ) 5 sec.
Minimum non-tripping time [Ua = 300 V] (tA ) 1 sec.
Maximum tripping time [Ua = 350 V] (tA ) 0.75 sec.
Minimum non-tripping time [Ua = 350 V] (tA ) 0.25 sec.
Maximum tripping time [Ua = 400 V] (tA ) 0.2 sec.
Minimum non-tripping time [Ua = 400 V] (tA ) 0.07 sec.
MCB
Tripping characteristic C
Nominal AC voltage (UN ) 230 / 400 V
Version 1 + N
RU
Surge protection value (tripping) 280 V +/- 10 V
Surge return voltage 240 V +/- 10 V
Surge recovery times 5–10 sec.
Undervoltage protection value (tripping) 160 V +/- 10 V
Undervoltage return voltage 190 V +/- 10 V
Undervoltage recovery time 5–10 sec.
1 LED indication (separate from SPD) Undervoltage/overvoltage (red), OK (green)

Product 900722 was added to Notepad.

Product 900722 was added to the cart.

Part No. 900723 POP+RU+MCB+SPD 20A 1P+N

GTIN 4013364559295, Customs tariff No. (EU): 85363030, Gross weight: 456.10 g, PU: 1.00 pc(s)


Images

Additional information

Protective device POP + MCB + RU - 20 A - 2P
Power frequency and transient overvoltage protective devices
with integrated circuit breaker
POP as per EN IEC 63052
Reactivation after voltage has returned within the tolerance range
Prewired complete unit, no additional
wiring of single devices necessary
Number pf poles 1P + N
Tripping characteristic MCB / nominal current MCB C 20 A
Rated breaking capacity as per EN 60898 6 kA
DIN rail mounted device as per DIN 43880, 4 modules


Brand: DEHN
Type: POP+RU+MCB+SPD 20A 1P+N
Part No.: 900723
or equivalent.

 

Technical data

General
Dimensions 4 Standard DIN module, DIN 43880
SPD
SPD according to EN 61643-11 / ... IEC 61643-11 Type 2 / class II
Max. continuous operating voltage (a.c.) [L-N] (UC ) 275 V
Max. continuous operating voltage (a.c.) [N-PE] (UC ) 255 V
Max. discharge current (8/20 µs) [L-N] (Imax ) 15 kA
Max. discharge current (8/20 µs) [N-PE] (Imax ) 20 kA
Nominal discharge current (8/20 µs) [L-N] (In ) 5 kA
Nominal discharge current (8/20 µs) [N-PE] (In ) 10 kA
Voltage protection level [L-N] (UP ) 1.5 kV
Voltage protection level [N-PE] (UP ) 1.5 kV
POP
Nominal AC voltage [L-N] (UN ) 230 V
Nominal AC voltage [L-L] (UN ) 400 V
Maximum tripping time [Ua = 255 V] (tA ) No tripping
Minimum non-tripping time [Ua = 255 V] (tA ) No tripping
Maximum tripping time [Ua = 275 V] (tA ) 15 sec.
Minimum non-tripping time [Ua = 275 V] (tA ) 3 sec.
Maximum tripping time [Ua = 300 V] (tA ) 5 sec.
Minimum non-tripping time [Ua = 300 V] (tA ) 1 sec.
Maximum tripping time [Ua = 350 V] (tA ) 0.75 sec.
Minimum non-tripping time [Ua = 350 V] (tA ) 0.25 sec.
Maximum tripping time [Ua = 400 V] (tA ) 0.2 sec.
Minimum non-tripping time [Ua = 400 V] (tA ) 0.07 sec.
MCB
Tripping characteristic C
Nominal AC voltage (UN ) 230 / 400 V
Version 1 + N
RU
Surge protection value (tripping) 280 V +/- 10 V
Surge return voltage 240 V +/- 10 V
Surge recovery times 5–10 sec.
Undervoltage protection value (tripping) 160 V +/- 10 V
Undervoltage return voltage 190 V +/- 10 V
Undervoltage recovery time 5–10 sec.
1 LED indication (separate from SPD) Undervoltage/overvoltage (red), OK (green)

Product 900723 was added to Notepad.

Product 900723 was added to the cart.

Part No. 900724 POP+RU+MCB+SPD 25A 1P+N

GTIN 4013364559301, Customs tariff No. (EU): 85363030, Gross weight: 456.10 g, PU: 1.00 pc(s)


Images

Additional information

Protective device POP + MCB + RU - 25 A - 2P
Power frequency and transient overvoltage protective devices
with integrated circuit breaker
POP as per EN IEC 63052
Reactivation after voltage has returned within the tolerance range
Prewired complete unit, no additional
wiring of single devices necessary
Number pf poles 1P + N
Tripping characteristic MCB / nominal current MCB C 25 A
Rated breaking capacity as per EN 60898 6 kA
DIN rail mounted device as per DIN 43880, 4 modules

Brand: DEHN
Type: POP+RU+MCB+SPD 25A 1P+N
Part No.: 900724
or equivalent.

 

Technical data

General
Dimensions 4 Standard DIN module, DIN 43880
SPD
SPD according to EN 61643-11 / ... IEC 61643-11 Type 2 / class II
Max. continuous operating voltage (a.c.) [L-N] (UC ) 275 V
Max. continuous operating voltage (a.c.) [N-PE] (UC ) 255 V
Max. discharge current (8/20 µs) [L-N] (Imax ) 15 kA
Max. discharge current (8/20 µs) [N-PE] (Imax ) 20 kA
Nominal discharge current (8/20 µs) [L-N] (In ) 5 kA
Nominal discharge current (8/20 µs) [N-PE] (In ) 10 kA
Voltage protection level [L-N] (UP ) 1.5 kV
Voltage protection level [N-PE] (UP ) 1.5 kV
POP
Nominal AC voltage [L-N] (UN ) 230 V
Nominal AC voltage [L-L] (UN ) 400 V
Maximum tripping time [Ua = 255 V] (tA ) No tripping
Minimum non-tripping time [Ua = 255 V] (tA ) No tripping
Maximum tripping time [Ua = 275 V] (tA ) 15 sec.
Minimum non-tripping time [Ua = 275 V] (tA ) 3 sec.
Maximum tripping time [Ua = 300 V] (tA ) 5 sec.
Minimum non-tripping time [Ua = 300 V] (tA ) 1 sec.
Maximum tripping time [Ua = 350 V] (tA ) 0.75 sec.
Minimum non-tripping time [Ua = 350 V] (tA ) 0.25 sec.
Maximum tripping time [Ua = 400 V] (tA ) 0.2 sec.
Minimum non-tripping time [Ua = 400 V] (tA ) 0.07 sec.
MCB
Tripping characteristic C
Nominal AC voltage (UN ) 230 / 400 V
Version 1 + N
RU
Surge protection value (tripping) 280 V +/- 10 V
Surge return voltage 240 V +/- 10 V
Surge recovery times 5–10 sec.
Undervoltage protection value (tripping) 160 V +/- 10 V
Undervoltage return voltage 190 V +/- 10 V
Undervoltage recovery time 5–10 sec.
1 LED indication (separate from SPD) Undervoltage/overvoltage (red), OK (green)

Product 900724 was added to Notepad.

Product 900724 was added to the cart.

Part No. 900725 POP+RU+MCB+SPD 32A 1P+N

GTIN 4013364559318, Customs tariff No. (EU): 85363030, Gross weight: 456.10 g, PU: 1.00 pc(s)


Images

Additional information

Protective device POP + MCB + RU - 32 A - 2P
Power frequency and transient overvoltage protective devices
with integrated circuit breaker
POP as per EN IEC 63052
Reactivation after voltage has returned within the tolerance range
Prewired complete unit, no additional
wiring of single devices necessary
Number pf poles 1P + N
Tripping characteristic MCB / nominal current MCB C 32 A
Rated breaking capacity as per EN 60898 6 kA
DIN rail mounted device as per DIN 43880, 4 modules


Brand: DEHN
Type: POP+RU+MCB+SPD 32A 1P+N
Part No.: 900725
or equivalent.

 

Technical data

General
Dimensions 4 Standard DIN module, DIN 43880
SPD
SPD according to EN 61643-11 / ... IEC 61643-11 Type 2 / class II
Max. continuous operating voltage (a.c.) [L-N] (UC ) 275 V
Max. continuous operating voltage (a.c.) [N-PE] (UC ) 255 V
Max. discharge current (8/20 µs) [L-N] (Imax ) 15 kA
Max. discharge current (8/20 µs) [N-PE] (Imax ) 20 kA
Nominal discharge current (8/20 µs) [L-N] (In ) 5 kA
Nominal discharge current (8/20 µs) [N-PE] (In ) 10 kA
Voltage protection level [L-N] (UP ) 1.5 kV
Voltage protection level [N-PE] (UP ) 1.5 kV
POP
Nominal AC voltage [L-N] (UN ) 230 V
Nominal AC voltage [L-L] (UN ) 400 V
Maximum tripping time [Ua = 255 V] (tA ) No tripping
Minimum non-tripping time [Ua = 255 V] (tA ) No tripping
Maximum tripping time [Ua = 275 V] (tA ) 15 sec.
Minimum non-tripping time [Ua = 275 V] (tA ) 3 sec.
Maximum tripping time [Ua = 300 V] (tA ) 5 sec.
Minimum non-tripping time [Ua = 300 V] (tA ) 1 sec.
Maximum tripping time [Ua = 350 V] (tA ) 0.75 sec.
Minimum non-tripping time [Ua = 350 V] (tA ) 0.25 sec.
Maximum tripping time [Ua = 400 V] (tA ) 0.2 sec.
Minimum non-tripping time [Ua = 400 V] (tA ) 0.07 sec.
MCB
Tripping characteristic C
Nominal AC voltage (UN ) 230 / 400 V
Version 1 + N
RU
Surge protection value (tripping) 280 V +/- 10 V
Surge return voltage 240 V +/- 10 V
Surge recovery times 5–10 sec.
Undervoltage protection value (tripping) 160 V +/- 10 V
Undervoltage return voltage 190 V +/- 10 V
Undervoltage recovery time 5–10 sec.
1 LED indication (separate from SPD) Undervoltage/overvoltage (red), OK (green)

Product 900725 was added to Notepad.

Product 900725 was added to the cart.

Part No. 900726 POP+RU+MCB+SPD 40A 1P+N

GTIN 4013364559325, Customs tariff No. (EU): 85363030, Gross weight: 456.10 g, PU: 1.00 pc(s)


Images

Additional information

Protective device POP + MCB + RU - 40 A - 2P
Power frequency and transient overvoltage protective devices
with integrated circuit breaker
POP as per EN IEC 63052
Reactivation after voltage has returned within the tolerance range
Prewired complete unit, no additional
wiring of single devices necessary
Number pf poles 1P + N
Tripping characteristic MCB / nominal current MCB C 40 A
Rated breaking capacity as per EN 60898 6 kA
DIN rail mounted device as per DIN 43880, 4 modules


Brand: DEHN
Type: POP+RU+MCB+SPD 40A 1P+N
Part No.: 900726
or equivalent.

 

Technical data

General
Dimensions 4 Standard DIN module, DIN 43880
SPD
SPD according to EN 61643-11 / ... IEC 61643-11 Type 2 / class II
Max. continuous operating voltage (a.c.) [L-N] (UC ) 275 V
Max. continuous operating voltage (a.c.) [N-PE] (UC ) 255 V
Max. discharge current (8/20 µs) [L-N] (Imax ) 15 kA
Max. discharge current (8/20 µs) [N-PE] (Imax ) 20 kA
Nominal discharge current (8/20 µs) [L-N] (In ) 5 kA
Nominal discharge current (8/20 µs) [N-PE] (In ) 10 kA
Voltage protection level [L-N] (UP ) 1.5 kV
Voltage protection level [N-PE] (UP ) 1.5 kV
POP
Nominal AC voltage [L-N] (UN ) 230 V
Nominal AC voltage [L-L] (UN ) 400 V
Maximum tripping time [Ua = 255 V] (tA ) No tripping
Minimum non-tripping time [Ua = 255 V] (tA ) No tripping
Maximum tripping time [Ua = 275 V] (tA ) 15 sec.
Minimum non-tripping time [Ua = 275 V] (tA ) 3 sec.
Maximum tripping time [Ua = 300 V] (tA ) 5 sec.
Minimum non-tripping time [Ua = 300 V] (tA ) 1 sec.
Maximum tripping time [Ua = 350 V] (tA ) 0.75 sec.
Minimum non-tripping time [Ua = 350 V] (tA ) 0.25 sec.
Maximum tripping time [Ua = 400 V] (tA ) 0.2 sec.
Minimum non-tripping time [Ua = 400 V] (tA ) 0.07 sec.
MCB
Tripping characteristic C
Nominal AC voltage (UN ) 230 / 400 V
Version 1 + N
RU
Surge protection value (tripping) 280 V +/- 10 V
Surge return voltage 240 V +/- 10 V
Surge recovery times 5–10 sec.
Undervoltage protection value (tripping) 160 V +/- 10 V
Undervoltage return voltage 190 V +/- 10 V
Undervoltage recovery time 5–10 sec.
1 LED indication (separate from SPD) Undervoltage/overvoltage (red), OK (green)

Product 900726 was added to Notepad.

Product 900726 was added to the cart.

Part No. 900727 POP+RU+MCB+SPD 50A 1P+N

GTIN 4013364559332, Customs tariff No. (EU): 85363030, Gross weight: 456.10 g, PU: 1.00 pc(s)


Images

Additional information

Protective device POP + MCB + RU - 50 A - 2P
Power frequency and transient overvoltage protective devices
with integrated circuit breaker
POP as per EN IEC 63052
Reactivation after voltage has returned within the tolerance range
Prewired complete unit, no additional
wiring of single devices necessary
Number pf poles 1P + N
Tripping characteristic MCB / nominal current MCB C 50 A
Rated breaking capacity as per EN 60898 6 kA
DIN rail mounted device as per DIN 43880, 4 modules


Brand: DEHN
Type: POP+RU+MCB+SPD 50A 1P+N
Part No.: 900727
or equivalent.

 

Technical data

General
Dimensions 4 Standard DIN module, DIN 43880
SPD
SPD according to EN 61643-11 / ... IEC 61643-11 Type 2 / class II
Max. continuous operating voltage (a.c.) [L-N] (UC ) 275 V
Max. continuous operating voltage (a.c.) [N-PE] (UC ) 255 V
Max. discharge current (8/20 µs) [L-N] (Imax ) 15 kA
Max. discharge current (8/20 µs) [N-PE] (Imax ) 20 kA
Nominal discharge current (8/20 µs) [L-N] (In ) 5 kA
Nominal discharge current (8/20 µs) [N-PE] (In ) 10 kA
Voltage protection level [L-N] (UP ) 1.5 kV
Voltage protection level [N-PE] (UP ) 1.5 kV
POP
Nominal AC voltage [L-N] (UN ) 230 V
Nominal AC voltage [L-L] (UN ) 400 V
Maximum tripping time [Ua = 255 V] (tA ) No tripping
Minimum non-tripping time [Ua = 255 V] (tA ) No tripping
Maximum tripping time [Ua = 275 V] (tA ) 15 sec.
Minimum non-tripping time [Ua = 275 V] (tA ) 3 sec.
Maximum tripping time [Ua = 300 V] (tA ) 5 sec.
Minimum non-tripping time [Ua = 300 V] (tA ) 1 sec.
Maximum tripping time [Ua = 350 V] (tA ) 0.75 sec.
Minimum non-tripping time [Ua = 350 V] (tA ) 0.25 sec.
Maximum tripping time [Ua = 400 V] (tA ) 0.2 sec.
Minimum non-tripping time [Ua = 400 V] (tA ) 0.07 sec.
MCB
Tripping characteristic C
Nominal AC voltage (UN ) 230 / 400 V
Version 1 + N
RU
Surge protection value (tripping) 280 V +/- 10 V
Surge return voltage 240 V +/- 10 V
Surge recovery times 5–10 sec.
Undervoltage protection value (tripping) 160 V +/- 10 V
Undervoltage return voltage 190 V +/- 10 V
Undervoltage recovery time 5–10 sec.
1 LED indication (separate from SPD) Undervoltage/overvoltage (red), OK (green)

Product 900727 was added to Notepad.

Product 900727 was added to the cart.

Part No. 900728 POP+RU+MCB+SPD 63A 1P+N

GTIN 4013364559349, Customs tariff No. (EU): 85363030, Gross weight: 456.10 g, PU: 1.00 pc(s)


Images

Additional information

Protective device POP + MCB + RU - 63 A - 2P
Power frequency and transient overvoltage protective devices
with integrated circuit breaker
POP as per EN IEC 63052
Reactivation after voltage has returned within the tolerance range
Prewired complete unit, no additional
wiring of single devices necessary
Number pf poles 1P + N
Tripping characteristic MCB / nominal current MCB C 63 A
Rated breaking capacity as per EN 60898 6 kA
DIN rail mounted device as per DIN 43880, 4 modules

Brand: DEHN
Type: POP+RU+MCB+SPD 63A 1P+N
Part No.: 900728
or equivalent.

 

Technical data

General
Dimensions 4 Standard DIN module, DIN 43880
SPD
SPD according to EN 61643-11 / ... IEC 61643-11 Type 2 / class II
Max. continuous operating voltage (a.c.) [L-N] (UC ) 275 V
Max. continuous operating voltage (a.c.) [N-PE] (UC ) 255 V
Max. discharge current (8/20 µs) [L-N] (Imax ) 15 kA
Max. discharge current (8/20 µs) [N-PE] (Imax ) 20 kA
Nominal discharge current (8/20 µs) [L-N] (In ) 5 kA
Nominal discharge current (8/20 µs) [N-PE] (In ) 10 kA
Voltage protection level [L-N] (UP ) 1.5 kV
Voltage protection level [N-PE] (UP ) 1.5 kV
POP
Nominal AC voltage [L-N] (UN ) 230 V
Nominal AC voltage [L-L] (UN ) 400 V
Maximum tripping time [Ua = 255 V] (tA ) No tripping
Minimum non-tripping time [Ua = 255 V] (tA ) No tripping
Maximum tripping time [Ua = 275 V] (tA ) 15 sec.
Minimum non-tripping time [Ua = 275 V] (tA ) 3 sec.
Maximum tripping time [Ua = 300 V] (tA ) 5 sec.
Minimum non-tripping time [Ua = 300 V] (tA ) 1 sec.
Maximum tripping time [Ua = 350 V] (tA ) 0.75 sec.
Minimum non-tripping time [Ua = 350 V] (tA ) 0.25 sec.
Maximum tripping time [Ua = 400 V] (tA ) 0.2 sec.
Minimum non-tripping time [Ua = 400 V] (tA ) 0.07 sec.
MCB
Tripping characteristic C
Nominal AC voltage (UN ) 230 / 400 V
Version 1 + N
RU
Surge protection value (tripping) 280 V +/- 10 V
Surge return voltage 240 V +/- 10 V
Surge recovery times 5–10 sec.
Undervoltage protection value (tripping) 160 V +/- 10 V
Undervoltage return voltage 190 V +/- 10 V
Undervoltage recovery time 5–10 sec.
1 LED indication (separate from SPD) Undervoltage/overvoltage (red), OK (green)

Product 900728 was added to Notepad.

Product 900728 was added to the cart.


POP+RU+MCB+SPD 3P+N

The article will be available shortly.

7 Products

Part No. 900732 POP+RU+MCB+SPD 16A 3P+N

GTIN 4013364559127, Customs tariff No. (EU): 85363010, Gross weight: 828.80 g, PU: 1.00 pc(s)


Images

Additional information

Protective device POP + MCB + RU - 16 A - 4P
Power frequency and transient overvoltage protective devices
with integrated circuit breaker
POP as per EN IEC 63052
Reactivation after voltage has returned within the tolerance range
Prewired complete unit, no additional
wiring of single devices necessary
Number pf poles 3P + N
Tripping characteristic MCB / nominal current MCB C 16 A
Rated breaking capacity as per EN 60898 6 kA
DIN rail mounted device as per DIN 43880, 6 modules


Brand: DEHN
Type: POP+RU+MCB+SPD 16A 3P+N
Part No.: 900732
or equivalent.

 

Technical data

General
Dimensions 7 Standard DIN module, DIN 43880
SPD
SPD according to EN 61643-11 / ... IEC 61643-11 Type 2 / class II
Max. continuous operating voltage (a.c.) [L-N] (UC ) 275 V
Max. continuous operating voltage (a.c.) [N-PE] (UC ) 255 V
Max. discharge current (8/20 µs) [L-N] (Imax ) 20 kA
Max. discharge current (8/20 µs) [N-PE] (Imax ) 40 kA
Nominal discharge current (8/20 µs) [L-N] (In ) 5 kA
Nominal discharge current (8/20 µs) [N-PE] (In ) 20 kA
Voltage protection level [L-N] (UP ) 1.5 kV
Voltage protection level [N-PE] (UP ) 1.5 kV
POP
Nominal AC voltage [L-N] (UN ) 230 V
Nominal AC voltage [L-L] (UN ) 400 V
Maximum tripping time [Ua = 255 V] (tA ) No tripping
Minimum non-tripping time [Ua = 255 V] (tA ) No tripping
Maximum tripping time [Ua = 275 V] (tA ) 15 sec.
Minimum non-tripping time [Ua = 275 V] (tA ) 3 sec.
Maximum tripping time [Ua = 300 V] (tA ) 5 sec.
Minimum non-tripping time [Ua = 300 V] (tA ) 1 sec.
Maximum tripping time [Ua = 350 V] (tA ) 0.75 sec.
Minimum non-tripping time [Ua = 350 V] (tA ) 0.25 sec.
Maximum tripping time [Ua = 400 V] (tA ) 0.2 sec.
Minimum non-tripping time [Ua = 400 V] (tA ) 0.07 sec.
MCB
Tripping characteristic C
Nominal AC voltage (UN ) 230 / 400 V
Version 3 + N
RU
Surge protection value (tripping) 280 V +/- 10 V
Surge return voltage 240 V +/- 10 V
Surge recovery times 5–10 sec.
Undervoltage protection value (tripping) 160 V +/- 10 V
Undervoltage return voltage 190 V +/- 10 V
Undervoltage recovery time 5–10 sec.
1 LED indication (separate from SPD) Undervoltage/overvoltage (red), OK (green)

Product 900732 was added to Notepad.

Product 900732 was added to the cart.

Part No. 900733 POP+RU+MCB+SPD 20A 3P+N

GTIN 4013364559226, Customs tariff No. (EU): 85363030, Gross weight: 828.80 g, PU: 1.00 pc(s)


Images

Additional information

Protective device POP + MCB + RU - 20 A - 4P
Power frequency and transient overvoltage protective devices
with integrated circuit breaker
POP as per EN IEC 63052
Reactivation after voltage has returned within the tolerance range
Prewired complete unit, no additional
wiring of single devices necessary
Number pf poles 3P + N
Tripping characteristic MCB / nominal current MCB C 20 A
Rated breaking capacity as per EN 60898 6 kA
DIN rail mounted device as per DIN 43880, 6 modules


Brand: DEHN
Type: POP+RU+MCB+SPD 20A 3P+N
Part No.: 900733
or equivalent.

 

Technical data

General
Dimensions 7 Standard DIN module, DIN 43880
SPD
SPD according to EN 61643-11 / ... IEC 61643-11 Type 2 / class II
Max. continuous operating voltage (a.c.) [L-N] (UC ) 275 V
Max. continuous operating voltage (a.c.) [N-PE] (UC ) 255 V
Max. discharge current (8/20 µs) [L-N] (Imax ) 20 kA
Max. discharge current (8/20 µs) [N-PE] (Imax ) 40 kA
Nominal discharge current (8/20 µs) [L-N] (In ) 5 kA
Nominal discharge current (8/20 µs) [N-PE] (In ) 20 kA
Voltage protection level [L-N] (UP ) 1.5 kV
Voltage protection level [N-PE] (UP ) 1.5 kV
POP
Nominal AC voltage [L-N] (UN ) 230 V
Nominal AC voltage [L-L] (UN ) 400 V
Maximum tripping time [Ua = 255 V] (tA ) No tripping
Minimum non-tripping time [Ua = 255 V] (tA ) No tripping
Maximum tripping time [Ua = 275 V] (tA ) 15 sec.
Minimum non-tripping time [Ua = 275 V] (tA ) 3 sec.
Maximum tripping time [Ua = 300 V] (tA ) 5 sec.
Minimum non-tripping time [Ua = 300 V] (tA ) 1 sec.
Maximum tripping time [Ua = 350 V] (tA ) 0.75 sec.
Minimum non-tripping time [Ua = 350 V] (tA ) 0.25 sec.
Maximum tripping time [Ua = 400 V] (tA ) 0.2 sec.
Minimum non-tripping time [Ua = 400 V] (tA ) 0.07 sec.
MCB
Tripping characteristic C
Nominal AC voltage (UN ) 230 / 400 V
Version 3 + N
RU
Surge protection value (tripping) 280 V +/- 10 V
Surge return voltage 240 V +/- 10 V
Surge recovery times 5–10 sec.
Undervoltage protection value (tripping) 160 V +/- 10 V
Undervoltage return voltage 190 V +/- 10 V
Undervoltage recovery time 5–10 sec.
1 LED indication (separate from SPD) Undervoltage/overvoltage (red), OK (green)

Product 900733 was added to Notepad.

Product 900733 was added to the cart.

Part No. 900734 POP+RU+MCB+SPD 25A 3P+N

GTIN 4013364559233, Customs tariff No. (EU): 85363030, Gross weight: 828.80 g, PU: 1.00 pc(s)


Images

Additional information

Protective device POP + MCB + RU - 25 A - 4P
Power frequency and transient overvoltage protective devices
with integrated circuit breaker
POP as per EN IEC 63052
Reactivation after voltage has returned within the tolerance range
Prewired complete unit, no additional
wiring of single devices necessary
Number pf poles 3P + N
Tripping characteristic MCB / nominal current MCB C 25 A
Rated breaking capacity as per EN 60898 6 kA
DIN rail mounted device as per DIN 43880, 6 modules


Brand: DEHN
Type: POP+RU+MCB+SPD 25A 3P+N
Part No.: 900734
or equivalent.

 

Technical data

General
Dimensions 7 Standard DIN module, DIN 43880
SPD
SPD according to EN 61643-11 / ... IEC 61643-11 Type 2 / class II
Max. continuous operating voltage (a.c.) [L-N] (UC ) 275 V
Max. continuous operating voltage (a.c.) [N-PE] (UC ) 255 V
Max. discharge current (8/20 µs) [L-N] (Imax ) 20 kA
Max. discharge current (8/20 µs) [N-PE] (Imax ) 40 kA
Nominal discharge current (8/20 µs) [L-N] (In ) 5 kA
Nominal discharge current (8/20 µs) [N-PE] (In ) 20 kA
Voltage protection level [L-N] (UP ) 1.5 kV
Voltage protection level [N-PE] (UP ) 1.5 kV
POP
Nominal AC voltage [L-N] (UN ) 230 V
Nominal AC voltage [L-L] (UN ) 400 V
Maximum tripping time [Ua = 255 V] (tA ) No tripping
Minimum non-tripping time [Ua = 255 V] (tA ) No tripping
Maximum tripping time [Ua = 275 V] (tA ) 15 sec.
Minimum non-tripping time [Ua = 275 V] (tA ) 3 sec.
Maximum tripping time [Ua = 300 V] (tA ) 5 sec.
Minimum non-tripping time [Ua = 300 V] (tA ) 1 sec.
Maximum tripping time [Ua = 350 V] (tA ) 0.75 sec.
Minimum non-tripping time [Ua = 350 V] (tA ) 0.25 sec.
Maximum tripping time [Ua = 400 V] (tA ) 0.2 sec.
Minimum non-tripping time [Ua = 400 V] (tA ) 0.07 sec.
MCB
Tripping characteristic C
Nominal AC voltage (UN ) 230 / 400 V
Version 3 + N
RU
Surge protection value (tripping) 280 V +/- 10 V
Surge return voltage 240 V +/- 10 V
Surge recovery times 5–10 sec.
Undervoltage protection value (tripping) 160 V +/- 10 V
Undervoltage return voltage 190 V +/- 10 V
Undervoltage recovery time 5–10 sec.
1 LED indication (separate from SPD) Undervoltage/overvoltage (red), OK (green)

Product 900734 was added to Notepad.

Product 900734 was added to the cart.

Part No. 900735 POP+RU+MCB+SPD 32A 3P+N

GTIN 4013364559240, Customs tariff No. (EU): 85363030, Gross weight: 828.80 g, PU: 1.00 pc(s)


Images

Additional information

Protective device POP + MCB + RU - 32 A - 4P
Power frequency and transient overvoltage protective devices
with integrated circuit breaker
POP as per EN IEC 63052
Reactivation after voltage has returned within the tolerance range
Prewired complete unit, no additional
wiring of single devices necessary
Number pf poles 3P + N
Tripping characteristic MCB / nominal current MCB C 32 A
Rated breaking capacity as per EN 60898 6 kA
DIN rail mounted device as per DIN 43880, 6 modules


Brand: DEHN
Type: POP+RU+MCB+SPD 32A 3P+N
Part No.: 900735
or equivalent.

 

Technical data

General
Dimensions 7 Standard DIN module, DIN 43880
SPD
SPD according to EN 61643-11 / ... IEC 61643-11 Type 2 / class II
Max. continuous operating voltage (a.c.) [L-N] (UC ) 275 V
Max. continuous operating voltage (a.c.) [N-PE] (UC ) 255 V
Max. discharge current (8/20 µs) [L-N] (Imax ) 20 kA
Max. discharge current (8/20 µs) [N-PE] (Imax ) 40 kA
Nominal discharge current (8/20 µs) [L-N] (In ) 5 kA
Nominal discharge current (8/20 µs) [N-PE] (In ) 20 kA
Voltage protection level [L-N] (UP ) 1.5 kV
Voltage protection level [N-PE] (UP ) 1.5 kV
POP
Nominal AC voltage [L-N] (UN ) 230 V
Nominal AC voltage [L-L] (UN ) 400 V
Maximum tripping time [Ua = 255 V] (tA ) No tripping
Minimum non-tripping time [Ua = 255 V] (tA ) No tripping
Maximum tripping time [Ua = 275 V] (tA ) 15 sec.
Minimum non-tripping time [Ua = 275 V] (tA ) 3 sec.
Maximum tripping time [Ua = 300 V] (tA ) 5 sec.
Minimum non-tripping time [Ua = 300 V] (tA ) 1 sec.
Maximum tripping time [Ua = 350 V] (tA ) 0.75 sec.
Minimum non-tripping time [Ua = 350 V] (tA ) 0.25 sec.
Maximum tripping time [Ua = 400 V] (tA ) 0.2 sec.
Minimum non-tripping time [Ua = 400 V] (tA ) 0.07 sec.
MCB
Tripping characteristic C
Nominal AC voltage (UN ) 230 / 400 V
Version 3 + N
RU
Surge protection value (tripping) 280 V +/- 10 V
Surge return voltage 240 V +/- 10 V
Surge recovery times 5–10 sec.
Undervoltage protection value (tripping) 160 V +/- 10 V
Undervoltage return voltage 190 V +/- 10 V
Undervoltage recovery time 5–10 sec.
1 LED indication (separate from SPD) Undervoltage/overvoltage (red), OK (green)

Product 900735 was added to Notepad.

Product 900735 was added to the cart.

Part No. 900736 POP+RU+MCB+SPD 40A 3P+N

GTIN 4013364559257, Customs tariff No. (EU): 85363030, Gross weight: 828.80 g, PU: 1.00 pc(s)


Images

Additional information

Protective device POP + MCB + RU - 40 A - 4P
Power frequency and transient overvoltage protective devices
with integrated circuit breaker
POP as per EN IEC 63052
Reactivation after voltage has returned within the tolerance range
Prewired complete unit, no additional
wiring of single devices necessary
Number pf poles 3P + N
Tripping characteristic MCB / nominal current MCB C 40 A
Rated breaking capacity as per EN 60898 6 kA
DIN rail mounted device as per DIN 43880, 6 modules


Brand: DEHN
Type: POP+RU+MCB+SPD 40A 3P+N
Part No.: 900736
or equivalent.

 

Technical data

General
Dimensions 7 Standard DIN module, DIN 43880
SPD
SPD according to EN 61643-11 / ... IEC 61643-11 Type 2 / class II
Max. continuous operating voltage (a.c.) [L-N] (UC ) 275 V
Max. continuous operating voltage (a.c.) [N-PE] (UC ) 255 V
Max. discharge current (8/20 µs) [L-N] (Imax ) 20 kA
Max. discharge current (8/20 µs) [N-PE] (Imax ) 40 kA
Nominal discharge current (8/20 µs) [L-N] (In ) 5 kA
Nominal discharge current (8/20 µs) [N-PE] (In ) 20 kA
Voltage protection level [L-N] (UP ) 1.5 kV
Voltage protection level [N-PE] (UP ) 1.5 kV
POP
Nominal AC voltage [L-N] (UN ) 230 V
Nominal AC voltage [L-L] (UN ) 400 V
Maximum tripping time [Ua = 255 V] (tA ) No tripping
Minimum non-tripping time [Ua = 255 V] (tA ) No tripping
Maximum tripping time [Ua = 275 V] (tA ) 15 sec.
Minimum non-tripping time [Ua = 275 V] (tA ) 3 sec.
Maximum tripping time [Ua = 300 V] (tA ) 5 sec.
Minimum non-tripping time [Ua = 300 V] (tA ) 1 sec.
Maximum tripping time [Ua = 350 V] (tA ) 0.75 sec.
Minimum non-tripping time [Ua = 350 V] (tA ) 0.25 sec.
Maximum tripping time [Ua = 400 V] (tA ) 0.2 sec.
Minimum non-tripping time [Ua = 400 V] (tA ) 0.07 sec.
MCB
Tripping characteristic C
Nominal AC voltage (UN ) 230 / 400 V
Version 3 + N
RU
Surge protection value (tripping) 280 V +/- 10 V
Surge return voltage 240 V +/- 10 V
Surge recovery times 5–10 sec.
Undervoltage protection value (tripping) 160 V +/- 10 V
Undervoltage return voltage 190 V +/- 10 V
Undervoltage recovery time 5–10 sec.
1 LED indication (separate from SPD) Undervoltage/overvoltage (red), OK (green)

Product 900736 was added to Notepad.

Product 900736 was added to the cart.

Part No. 900737 POP+RU+MCB+SPD 50A 3P+N

GTIN 4013364559264, Customs tariff No. (EU): 85363030, Gross weight: 828.80 g, PU: 1.00 pc(s)


Images

Additional information

Protective device POP + MCB + RU - 50 A - 4P
Power frequency and transient overvoltage protective devices
with integrated circuit breaker
POP as per EN IEC 63052
Reactivation after voltage has returned within the tolerance range
Prewired complete unit, no additional
wiring of single devices necessary
Number pf poles 3P + N
Tripping characteristic MCB / nominal current MCB C 50 A
Rated breaking capacity as per EN 60898 6 kA
DIN rail mounted device as per DIN 43880, 6 modules

Brand: DEHN
Type: POP+RU+MCB+SPD 50A 3P+N
Part No.: 900737
or equivalent.

 

Technical data

General
Dimensions 7 Standard DIN module, DIN 43880
SPD
SPD according to EN 61643-11 / ... IEC 61643-11 Type 2 / class II
Max. continuous operating voltage (a.c.) [L-N] (UC ) 275 V
Max. continuous operating voltage (a.c.) [N-PE] (UC ) 255 V
Max. discharge current (8/20 µs) [L-N] (Imax ) 20 kA
Max. discharge current (8/20 µs) [N-PE] (Imax ) 40 kA
Nominal discharge current (8/20 µs) [L-N] (In ) 5 kA
Nominal discharge current (8/20 µs) [N-PE] (In ) 20 kA
Voltage protection level [L-N] (UP ) 1.5 kV
Voltage protection level [N-PE] (UP ) 1.5 kV
POP
Nominal AC voltage [L-N] (UN ) 230 V
Nominal AC voltage [L-L] (UN ) 400 V
Maximum tripping time [Ua = 255 V] (tA ) No tripping
Minimum non-tripping time [Ua = 255 V] (tA ) No tripping
Maximum tripping time [Ua = 275 V] (tA ) 15 sec.
Minimum non-tripping time [Ua = 275 V] (tA ) 3 sec.
Maximum tripping time [Ua = 300 V] (tA ) 5 sec.
Minimum non-tripping time [Ua = 300 V] (tA ) 1 sec.
Maximum tripping time [Ua = 350 V] (tA ) 0.75 sec.
Minimum non-tripping time [Ua = 350 V] (tA ) 0.25 sec.
Maximum tripping time [Ua = 400 V] (tA ) 0.2 sec.
Minimum non-tripping time [Ua = 400 V] (tA ) 0.07 sec.
MCB
Tripping characteristic C
Nominal AC voltage (UN ) 230 / 400 V
Version 3 + N
RU
Surge protection value (tripping) 280 V +/- 10 V
Surge return voltage 240 V +/- 10 V
Surge recovery times 5–10 sec.
Undervoltage protection value (tripping) 160 V +/- 10 V
Undervoltage return voltage 190 V +/- 10 V
Undervoltage recovery time 5–10 sec.
1 LED indication (separate from SPD) Undervoltage/overvoltage (red), OK (green)

Product 900737 was added to Notepad.

Product 900737 was added to the cart.

Part No. 900738 POP+RU+MCB+SPD 63A 3P+N

GTIN 4013364559271, Customs tariff No. (EU): 85363030, Gross weight: 828.80 g, PU: 1.00 pc(s)


Images

Additional information

Protective device POP + MCB + RU - 63 A - 4P
Power frequency and transient overvoltage protective devices
with integrated circuit breaker
POP as per EN IEC 63052
Reactivation after voltage has returned within the tolerance range
Prewired complete unit, no additional
wiring of single devices necessary
Number pf poles 3P + N
Tripping characteristic MCB / nominal current MCB C 63 A
Rated breaking capacity as per EN 60898 6 kA
DIN rail mounted device as per DIN 43880, 6 modules


Brand: DEHN
Type: POP+RU+MCB+SPD 63A 3P+N
Part No.: 900738
or equivalent.

 

Technical data

General
Dimensions 7 Standard DIN module, DIN 43880
SPD
SPD according to EN 61643-11 / ... IEC 61643-11 Type 2 / class II
Max. continuous operating voltage (a.c.) [L-N] (UC ) 275 V
Max. continuous operating voltage (a.c.) [N-PE] (UC ) 255 V
Max. discharge current (8/20 µs) [L-N] (Imax ) 20 kA
Max. discharge current (8/20 µs) [N-PE] (Imax ) 40 kA
Nominal discharge current (8/20 µs) [L-N] (In ) 5 kA
Nominal discharge current (8/20 µs) [N-PE] (In ) 20 kA
Voltage protection level [L-N] (UP ) 1.5 kV
Voltage protection level [N-PE] (UP ) 1.5 kV
POP
Nominal AC voltage [L-N] (UN ) 230 V
Nominal AC voltage [L-L] (UN ) 400 V
Maximum tripping time [Ua = 255 V] (tA ) No tripping
Minimum non-tripping time [Ua = 255 V] (tA ) No tripping
Maximum tripping time [Ua = 275 V] (tA ) 15 sec.
Minimum non-tripping time [Ua = 275 V] (tA ) 3 sec.
Maximum tripping time [Ua = 300 V] (tA ) 5 sec.
Minimum non-tripping time [Ua = 300 V] (tA ) 1 sec.
Maximum tripping time [Ua = 350 V] (tA ) 0.75 sec.
Minimum non-tripping time [Ua = 350 V] (tA ) 0.25 sec.
Maximum tripping time [Ua = 400 V] (tA ) 0.2 sec.
Minimum non-tripping time [Ua = 400 V] (tA ) 0.07 sec.
MCB
Tripping characteristic C
Nominal AC voltage (UN ) 230 / 400 V
Version 3 + N
RU
Surge protection value (tripping) 280 V +/- 10 V
Surge return voltage 240 V +/- 10 V
Surge recovery times 5–10 sec.
Undervoltage protection value (tripping) 160 V +/- 10 V
Undervoltage return voltage 190 V +/- 10 V
Undervoltage recovery time 5–10 sec.
1 LED indication (separate from SPD) Undervoltage/overvoltage (red), OK (green)

Product 900738 was added to Notepad.

Product 900738 was added to the cart.


SPD+POP+MCB 1P+N T1+2

3 Products

Part No. 900739 SPD+POP+MCB 25A 1P+N T1+2

GTIN 4013364561373, Customs tariff No. (EU): 85363030, Gross weight: 569.20 g, PU: 1.00 pc(s)


Images

Additional information

Protective device POP + MCB - 25 A - 2P
Power frequency and transient lightning current impact protective devices
with integrated circuit breaker
POP as per EN IEC 63052
Number pf poles 1P + N
Tripping characteristic MCB / nominal current MCB C 25 A
Rated breaking capacity as per EN 60898 6 kA
DIN rail mounted device as per DIN 43880, 5 modules

Brand: DEHN
Type: SPD+POP+MCB 25A 1P+N T1+2
Part No.: 900739
or equivalent.

 

Technical data

General
Dimensions 5 Standard DIN module, DIN 43880
SPD
SPD according to EN 61643-11 / ... IEC 61643-11 type 1 + type 2 / class I + class II
Nominal AC voltage (UN ) 230 V (50 / 60 Hz)
Max. continuous operating voltage (a.c.) [L-N] (UC ) 255 V (50 / 60 Hz)
Nominal discharge current (8/20 µs) [L-N] (In ) 12.5 kA
Nominal discharge current (8/20 µs) [N-PE] (In ) 25 kA
Voltage protection level [L-N] (UP ) ≤ 1.5 kV
Voltage protection level [N-PE] (UP ) ≤ 1.5 kV
POP
Nominal AC voltage [L-N] (UN ) 230 V
Nominal AC voltage [L-L] (UN ) 400 V
Maximum tripping time [Ua = 255 V] (tA ) No tripping
Minimum non-tripping time [Ua = 255 V] (tA ) No tripping
Maximum tripping time [Ua = 275 V] (tA ) 15 sec.
Minimum non-tripping time [Ua = 275 V] (tA ) 3 sec.
Maximum tripping time [Ua = 300 V] (tA ) 5 sec.
Minimum non-tripping time [Ua = 300 V] (tA ) 1 sec.
Maximum tripping time [Ua = 350 V] (tA ) 0.75 sec.
Minimum non-tripping time [Ua = 350 V] (tA ) 0.25 sec.
Maximum tripping time [Ua = 400 V] (tA ) 0.2 sec.
Minimum non-tripping time [Ua = 400 V] (tA ) 0.07 sec.
MCB
Tripping characteristic C
Nominal AC voltage (UN ) 230 / 400 V
Version 1 + N

Product 900739 was added to Notepad.

Product 900739 was added to the cart.

Part No. 900740 SPD+POP+MCB 32A 1P+N T1+2

GTIN 4013364561380, Customs tariff No. (EU): 85363030, Gross weight: 569.20 g, PU: 1.00 pc(s)


Images

Additional information

Protective device POP + MCB - 32 A - 2P
Power frequency and transient lightning current impact protective devices
with integrated circuit breaker
POP as per EN IEC 63052
Number pf poles 1P + N
Tripping characteristic MCB / nominal current MCB C 32 A
Rated breaking capacity as per EN 60898 6 kA
DIN rail mounted device as per DIN 43880, 5 modules


Brand: DEHN
Type: SPD+POP+MCB 32A 1P+N T1+2
Part No.: 900740
or equivalent.

 

Technical data

General
Dimensions 5 Standard DIN module, DIN 43880
SPD
SPD according to EN 61643-11 / ... IEC 61643-11 type 1 + type 2 / class I + class II
Nominal AC voltage (UN ) 230 V (50 / 60 Hz)
Max. continuous operating voltage (a.c.) [L-N] (UC ) 255 V (50 / 60 Hz)
Nominal discharge current (8/20 µs) [L-N] (In ) 12.5 kA
Nominal discharge current (8/20 µs) [N-PE] (In ) 25 kA
Voltage protection level [L-N] (UP ) ≤ 1.5 kV
Voltage protection level [N-PE] (UP ) ≤ 1.5 kV
POP
Nominal AC voltage [L-N] (UN ) 230 V
Nominal AC voltage [L-L] (UN ) 400 V
Maximum tripping time [Ua = 255 V] (tA ) No tripping
Minimum non-tripping time [Ua = 255 V] (tA ) No tripping
Maximum tripping time [Ua = 275 V] (tA ) 15 sec.
Minimum non-tripping time [Ua = 275 V] (tA ) 3 sec.
Maximum tripping time [Ua = 300 V] (tA ) 5 sec.
Minimum non-tripping time [Ua = 300 V] (tA ) 1 sec.
Maximum tripping time [Ua = 350 V] (tA ) 0.75 sec.
Minimum non-tripping time [Ua = 350 V] (tA ) 0.25 sec.
Maximum tripping time [Ua = 400 V] (tA ) 0.2 sec.
Minimum non-tripping time [Ua = 400 V] (tA ) 0.07 sec.
MCB
Tripping characteristic C
Nominal AC voltage (UN ) 230 / 400 V
Version 1 + N

Product 900740 was added to Notepad.

Product 900740 was added to the cart.

Part No. 900741 SPD+POP+MCB 40A 1P+N T1+2

GTIN 4013364561403, Customs tariff No. (EU): 85363030, Gross weight: 569.20 g, PU: 1.00 pc(s)


Images

Additional information

Protective device POP + MCB - 40 A - 2P
Power frequency and transient lightning current impact protective devices
with integrated circuit breaker
POP as per EN IEC 63052
Number pf poles 1P + N
Tripping characteristic MCB / nominal current MCB C 40 A
Rated breaking capacity as per EN 60898 6 kA
DIN rail mounted device as per DIN 43880, 5 modules


Brand: DEHN
Type: SPD+POP+MCB 40A 1P+N T1+2
Part No.: 900741
or equivalent.

 

Technical data

General
Dimensions 5 Standard DIN module, DIN 43880
SPD
SPD according to EN 61643-11 / ... IEC 61643-11 type 1 + type 2 / class I + class II
Nominal AC voltage (UN ) 230 V (50 / 60 Hz)
Max. continuous operating voltage (a.c.) [L-N] (UC ) 255 V (50 / 60 Hz)
Nominal discharge current (8/20 µs) [L-N] (In ) 12.5 kA
Nominal discharge current (8/20 µs) [N-PE] (In ) 25 kA
Voltage protection level [L-N] (UP ) ≤ 1.5 kV
Voltage protection level [N-PE] (UP ) ≤ 1.5 kV
POP
Nominal AC voltage [L-N] (UN ) 230 V
Nominal AC voltage [L-L] (UN ) 400 V
Maximum tripping time [Ua = 255 V] (tA ) No tripping
Minimum non-tripping time [Ua = 255 V] (tA ) No tripping
Maximum tripping time [Ua = 275 V] (tA ) 15 sec.
Minimum non-tripping time [Ua = 275 V] (tA ) 3 sec.
Maximum tripping time [Ua = 300 V] (tA ) 5 sec.
Minimum non-tripping time [Ua = 300 V] (tA ) 1 sec.
Maximum tripping time [Ua = 350 V] (tA ) 0.75 sec.
Minimum non-tripping time [Ua = 350 V] (tA ) 0.25 sec.
Maximum tripping time [Ua = 400 V] (tA ) 0.2 sec.
Minimum non-tripping time [Ua = 400 V] (tA ) 0.07 sec.
MCB
Tripping characteristic C
Nominal AC voltage (UN ) 230 / 400 V
Version 1 + N

Product 900741 was added to Notepad.

Product 900741 was added to the cart.


SPD+POP+MCB 3P+N T1+2

4 Products

Part No. 900742 SPD+POP+MCB 25A 3P+N T1+2

GTIN 4013364561458, Customs tariff No. (EU): 85363030, Gross weight: 971.30 g, PU: 1.00 pc(s)


Images

Additional information

Protective device POP + MCB - 25 A - 4P
Power frequency and transient lightning current impact protective devices
with integrated circuit breaker
POP as per EN IEC 63052
Number pf poles 3P + N
Tripping characteristic MCB / nominal current MCB C 25 A
Rated breaking capacity as per EN 60898 6 kA
DIN rail mounted device as per DIN 43880, 9 modules


Brand: DEHN
Type: SPD+POP+MCB 25A 3P+N T1+2
Part No.: 900742
or equivalent.

 

Technical data

General
Dimensions 9 Standard DIN module, DIN 43880
SPD
SPD according to EN 61643-11 / ... IEC 61643-11 type 1 + type 2 / class I + class II
Nominal AC voltage (UN ) 230 V (50 / 60 Hz)
Max. continuous operating voltage (a.c.) [L-N] (UC ) 255 V (50 / 60 Hz)
Nominal discharge current (8/20 µs) [L-N] (In ) 12.5 kA
Nominal discharge current (8/20 µs) [N-PE] (In ) 50 kA
Voltage protection level [L-N] (UP ) ≤ 1.5 kV
Voltage protection level [N-PE] (UP ) ≤ 1.5 kV
POP
Nominal AC voltage [L-N] (UN ) 230 V
Nominal AC voltage [L-L] (UN ) 400 V
Maximum tripping time [Ua = 255 V] (tA ) No tripping
Minimum non-tripping time [Ua = 255 V] (tA ) No tripping
Maximum tripping time [Ua = 275 V] (tA ) 15 sec.
Minimum non-tripping time [Ua = 275 V] (tA ) 3 sec.
Maximum tripping time [Ua = 300 V] (tA ) 5 sec.
Minimum non-tripping time [Ua = 300 V] (tA ) 1 sec.
Maximum tripping time [Ua = 350 V] (tA ) 0.75 sec.
Minimum non-tripping time [Ua = 350 V] (tA ) 0.25 sec.
Maximum tripping time [Ua = 400 V] (tA ) 0.2 sec.
Minimum non-tripping time [Ua = 400 V] (tA ) 0.07 sec.
MCB
Tripping characteristic C
Nominal AC voltage (UN ) 230 / 400 V
Version 3 + N

Product 900742 was added to Notepad.

Product 900742 was added to the cart.

Part No. 900743 SPD+POP+MCB 32A 3P+N T1+2

GTIN 4013364561410, Customs tariff No. (EU): 85363030, Gross weight: 971.30 g, PU: 1.00 pc(s)


Images

Additional information

Protective device POP + MCB - 32 A - 4P
Power frequency and transient lightning current impact protective devices
with integrated circuit breaker
POP as per EN IEC 63052
Number pf poles 3P + N
Tripping characteristic MCB / nominal current MCB C 32 A
Rated breaking capacity as per EN 60898 6 kA
DIN rail mounted device as per DIN 43880, 9 modules

Brand: DEHN
Type: SPD+POP+MCB 32A 3P+N T1+2
Part No.: 900743
or equivalent.

 

Technical data

General
Dimensions 9 Standard DIN module, DIN 43880
SPD
SPD according to EN 61643-11 / ... IEC 61643-11 type 1 + type 2 / class I + class II
Nominal AC voltage (UN ) 230 V (50 / 60 Hz)
Max. continuous operating voltage (a.c.) [L-N] (UC ) 255 V (50 / 60 Hz)
Nominal discharge current (8/20 µs) [L-N] (In ) 12.5 kA
Nominal discharge current (8/20 µs) [N-PE] (In ) 50 kA
Voltage protection level [L-N] (UP ) ≤ 1.5 kV
Voltage protection level [N-PE] (UP ) ≤ 1.5 kV
POP
Nominal AC voltage [L-N] (UN ) 230 V
Nominal AC voltage [L-L] (UN ) 400 V
Maximum tripping time [Ua = 255 V] (tA ) No tripping
Minimum non-tripping time [Ua = 255 V] (tA ) No tripping
Maximum tripping time [Ua = 275 V] (tA ) 15 sec.
Minimum non-tripping time [Ua = 275 V] (tA ) 3 sec.
Maximum tripping time [Ua = 300 V] (tA ) 5 sec.
Minimum non-tripping time [Ua = 300 V] (tA ) 1 sec.
Maximum tripping time [Ua = 350 V] (tA ) 0.75 sec.
Minimum non-tripping time [Ua = 350 V] (tA ) 0.25 sec.
Maximum tripping time [Ua = 400 V] (tA ) 0.2 sec.
Minimum non-tripping time [Ua = 400 V] (tA ) 0.07 sec.
MCB
Tripping characteristic C
Nominal AC voltage (UN ) 230 / 400 V
Version 3 + N

Product 900743 was added to Notepad.

Product 900743 was added to the cart.

Part No. 900744 SPD+POP+MCB 40A 3P+N T1+2

GTIN 4013364561427, Customs tariff No. (EU): 85363030, Gross weight: 971.30 g, PU: 1.00 pc(s)


Images

Additional information

Protective device POP + MCB - 40 A - 4P
Power frequency and transient lightning current impact protective devices
with integrated circuit breaker
POP as per EN IEC 63052
Number pf poles 3P + N
Tripping characteristic MCB / nominal current MCB C 40 A
Rated breaking capacity as per EN 60898 6 kA
DIN rail mounted device as per DIN 43880, 9 modules


Brand: DEHN
Type: SPD+POP+MCB 40A 3P+N T1+2
Part No.: 900744
or equivalent.

 

Technical data

General
Dimensions 9 Standard DIN module, DIN 43880
SPD
SPD according to EN 61643-11 / ... IEC 61643-11 type 1 + type 2 / class I + class II
Nominal AC voltage (UN ) 230 V (50 / 60 Hz)
Max. continuous operating voltage (a.c.) [L-N] (UC ) 255 V (50 / 60 Hz)
Nominal discharge current (8/20 µs) [L-N] (In ) 12.5 kA
Nominal discharge current (8/20 µs) [N-PE] (In ) 50 kA
Voltage protection level [L-N] (UP ) ≤ 1.5 kV
Voltage protection level [N-PE] (UP ) ≤ 1.5 kV
POP
Nominal AC voltage [L-N] (UN ) 230 V
Nominal AC voltage [L-L] (UN ) 400 V
Maximum tripping time [Ua = 255 V] (tA ) No tripping
Minimum non-tripping time [Ua = 255 V] (tA ) No tripping
Maximum tripping time [Ua = 275 V] (tA ) 15 sec.
Minimum non-tripping time [Ua = 275 V] (tA ) 3 sec.
Maximum tripping time [Ua = 300 V] (tA ) 5 sec.
Minimum non-tripping time [Ua = 300 V] (tA ) 1 sec.
Maximum tripping time [Ua = 350 V] (tA ) 0.75 sec.
Minimum non-tripping time [Ua = 350 V] (tA ) 0.25 sec.
Maximum tripping time [Ua = 400 V] (tA ) 0.2 sec.
Minimum non-tripping time [Ua = 400 V] (tA ) 0.07 sec.
MCB
Tripping characteristic C
Nominal AC voltage (UN ) 230 / 400 V
Version 3 + N

Product 900744 was added to Notepad.

Product 900744 was added to the cart.

Part No. 900746 SPD+POP+MCB 63A 3P+N T1+2

GTIN 4013364561441, Customs tariff No. (EU): 85363030, Gross weight: 971.30 g, PU: 1.00 pc(s)


Images

Additional information

Protective device POP + MCB - 63 A - 4P
Power frequency and transient lightning current impact protective devices
with integrated circuit breaker
POP as per EN IEC 63052
Number pf poles 3P + N
Tripping characteristic MCB / nominal current MCB C 63 A
Rated breaking capacity as per EN 60898 6 kA
DIN rail mounted device as per DIN 43880, 9 modules


Brand: DEHN
Type: SPD+POP+MCB 63A 3P+N T1+2
Part No.: 900746
or equivalent.

 

Technical data

General
Dimensions 9 Standard DIN module, DIN 43880
SPD
SPD according to EN 61643-11 / ... IEC 61643-11 type 1 + type 2 / class I + class II
Nominal AC voltage (UN ) 230 V (50 / 60 Hz)
Max. continuous operating voltage (a.c.) [L-N] (UC ) 255 V (50 / 60 Hz)
Nominal discharge current (8/20 µs) [L-N] (In ) 12.5 kA
Nominal discharge current (8/20 µs) [N-PE] (In ) 50 kA
Voltage protection level [L-N] (UP ) ≤ 1.5 kV
Voltage protection level [N-PE] (UP ) ≤ 1.5 kV
POP
Nominal AC voltage [L-N] (UN ) 230 V
Nominal AC voltage [L-L] (UN ) 400 V
Maximum tripping time [Ua = 255 V] (tA ) No tripping
Minimum non-tripping time [Ua = 255 V] (tA ) No tripping
Maximum tripping time [Ua = 275 V] (tA ) 15 sec.
Minimum non-tripping time [Ua = 275 V] (tA ) 3 sec.
Maximum tripping time [Ua = 300 V] (tA ) 5 sec.
Minimum non-tripping time [Ua = 300 V] (tA ) 1 sec.
Maximum tripping time [Ua = 350 V] (tA ) 0.75 sec.
Minimum non-tripping time [Ua = 350 V] (tA ) 0.25 sec.
Maximum tripping time [Ua = 400 V] (tA ) 0.2 sec.
Minimum non-tripping time [Ua = 400 V] (tA ) 0.07 sec.
MCB
Tripping characteristic C
Nominal AC voltage (UN ) 230 / 400 V
Version 3 + N

Product 900746 was added to Notepad.

Product 900746 was added to the cart.


SPD+POP 3P+N T1+2

1 Product

Part No. 900747 SPD+POP 3P+N T1+2

GTIN 4013364561465, Customs tariff No. (EU): 85363030, Gross weight: 257.00 g, PU: 1.00 pc(s)


Images

Additional information

Protective device POP 4P
Power frequency and transient lightning current impact protective devices
POP as per EN IEC 63052
Number pf poles 3P + N
DIN rail mounted device as per DIN 43880, 6 modules


Brand: DEHN
Type: SPD+POP 3P+N T1+2
Part No.: 900747
or equivalent.

 

Technical data

General
Nominal voltage (a.c.) (UN ) 230 / 400 V
Dimensions 6 Standard DIN module, DIN 43880
SPD
SPD according to EN 61643-11 / ... IEC 61643-11 type 1 + type 2 / class I + class II
Nominal AC voltage (UN ) 230 V (50 / 60 Hz)
Max. continuous operating voltage (a.c.) [L-N] (UC ) 255 V (50 / 60 Hz)
Nominal discharge current (8/20 µs) [L-N] (In ) 12.5 kA
Nominal discharge current (8/20 µs) [N-PE] (In ) 50 kA
Voltage protection level [L-N] (UP ) ≤ 1.5 kV
Voltage protection level [N-PE] (UP ) ≤ 1.5 kV
POP
Max. non-tripping voltage (AC) 255 V
Max. tripping voltage AC 440 V
Tripping time at 400 V AC 140 ms
Tripping time at 275 V AC 9 sec
Tripping time at 300 V AC 3 sec
Tripping time at 350 V AC 0.5 sec
DC breaking capacityout 50 ms 230 V / 1 A; 48 V / 3 A; 24 V / 5 A; 12 V / 5 A
Power consumption 500 mW

Product 900747 was added to Notepad.

Product 900747 was added to the cart.


back to top