BLITZDUCTORconnect – Compact

Universal lightning current and surge arrester
  • For protecting data bus interfaces as well as measuring and control circuits
  • High discharge capacity of 3 kA (10/350 µs), 10 kA (8/20 µs)
  • Max. impulse current carrying capability (8/20 µs) Imax up to 20 kA
  • Low voltage protection level, also capable of protecting terminal equipment
Compact arrester
  • Fast and simple cable connection thanks to push-in connection technology
  • High system availability thanks to fail-safe performance
Function-optimised design with a width of 6 mm
  • LifeCheck and visual status indication integrated in the module
  • Simple remote signalling of the status with the help of an optional remote signalling unit
  • Vibration and shock-tested for safe operation

Details

Easy maintenance
Simple status message with monitoring unit for arrester groups
lorem ipsum
Quickly tested – at a glance
Integrated indication for easy and fast maintenance
lorem ipsum
Maximum system availability
Approvals for use in intrinsically safe measuring circuits
lorem ipsum
Connect = Protect
Push-in connection technology for simple and fast cable connection
lorem ipsum


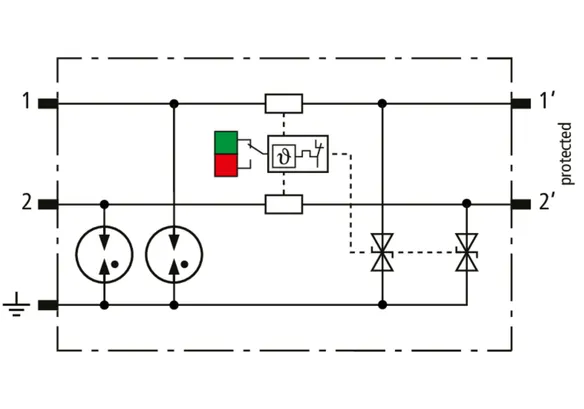
BCO CL2 B 180

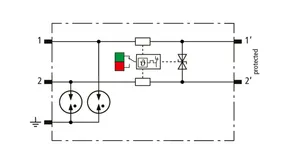
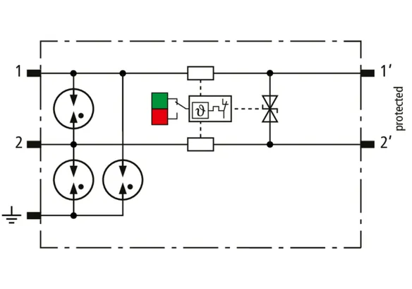
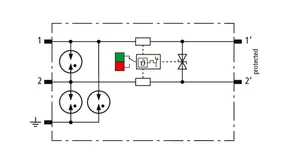
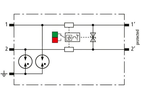
Space-saving, compact lightning current arrester with a width of 6 mm and push-in connection technology with status indication for protecting two single lines for lightning equipotential bonding as well as indirect earthing of shielded cables.

1 Product

Part No. 927910 BCO CL2 B 180

GTIN 4013364411739, Customs tariff No. (EU): 85363010, Gross weight: 57.86 g, PU: 1.00 pc(s)


Images

Additional information

Lightning current arrester BLITZDUCTORconnect CL2 B 180
Compact lightning current arrester for protecting
two single lines for lightning equipotential bonding as well
as indirect earthing of shielded cables
Tested to EN/IEC 61643-21 and energy coordinated according
to IEC 61643-22
SPD class: type 1
Impulse category: C2, C3, B2, D1
Status indication, width of 6 mm
Max. continuous operating voltage: 180.0 V DC / 127.0 V AC
Nominal current at 80°C: 1.2 A
C2 nominal discharge current per line (8/20): 5 kA
C2 total nominal discharge current (8/20): 10 kA
D1 lightning impulse current (10/350 µs) per line: 1.5 kA
D1 total lightning impulse current (10/350 µs): 3 kA
Cable connection: Push-in

Brand: DEHN
Type: BCO CL2 B 180
Part No.: 927910
or equivalent.

Certificates

 

Technical data

SPD class A
Max. continuous operating voltage (d.c.) (UC ) 180 V
Nominal current (IL ) 1.2 A
D1 Lightning impulse current (10/350 µs) per line (Iimp ) 1.5 kA
C2 Total nominal discharge current (8/20 µs) (In ) 10 kA
Series resistance per line 0 ohms
Approvals UL 497B, CSA, ATEX, IECEx, CCC, SIL
*) For details, see: www.dehn-international.com

Product 927910 was added to Notepad.

Product 927910 was added to the cart.


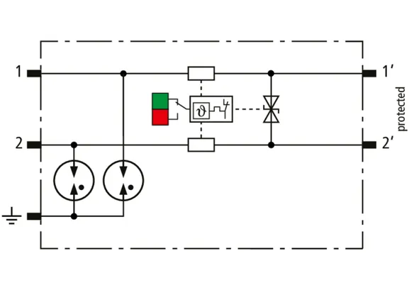
BCO CL2 BE

Space-saving, compact combined arrester with a width of 6 mm and push-in connection technology with status indication for protecting two single lines sharing a common reference potential as well as unbalanced interfaces.

3 Products

Part No. 927922 BCO CL2 BE 12

GTIN 4013364411951, Customs tariff No. (EU): 85363010, Gross weight: 57.86 g, PU: 1.00 pc(s)

Predecessor

Images

Additional information

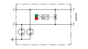
Combined arrester BLITZDUCTORconnect CL2 BE 12
Compact combined arrester for protecting
two single lines sharing a common reference potential
as well as unbalanced interfaces
Tested to EN/IEC 61643-21 and energy coordinated according
to IEC 61643-22
SPD class: type 1 / P1
Impulse category: C1, C2, C3, B2, D1
Status indication, width of 6 mm
Max. continuous operating voltage: 15.0 V DC / 10.6 V AC
Nominal current at 70°C: 0.75 A
C2 nominal discharge current per line (8/20): 5 kA
C2 total nominal discharge current (8/20): 10 kA
D1 lightning impulse current (10/350 µs) per line: 1.5 kA
D1 total lightning impulse current (10/350 µs): 3 kA
Cable connection: Push-in

Brand: DEHN
Type: BCO CL2 BE 12
Part No.: 927922
or equivalent.

Certificates

 

Technical data

SPD class M
Max. continuous operating voltage (d.c.) (UC ) 15 V
Nominal current at 70 °C (IL ) 0.75 A
D1 Lightning impulse current (10/350 µs) per line (Iimp ) 1.5 kA
C2 Total nominal discharge current (8/20 µs) (In ) 10 kA
Series resistance per line 1 ohms
Cut-off frequency line-line (fG ) 1.4 MHz
Approvals UL 497B, CSA, ATEX, IECEx, CCC, SIL
*) For details, see: www.dehn-international.com

Product 927922 was added to Notepad.

Product 927922 was added to the cart.

Part No. 927924 BCO CL2 BE 24

GTIN 4013364411968, Customs tariff No. (EU): 85363010, Gross weight: 57.86 g, PU: 1.00 pc(s)

Predecessor

Images

Additional information

Combined arrester BLITZDUCTORconnect CL2 BE 24
Compact combined arrester for protecting
two single lines sharing a common reference potential
as well as unbalanced interfaces
Tested to EN/IEC 61643-21 and energy coordinated according
to IEC 61643-22
SPD class: type 1 / P1
Impulse category: C1, C2, C3, B2, D1
Status indication, width of 6 mm
Max. continuous operating voltage: 33.0 V DC / 23.3 V AC
Nominal current at 70°C: 0.75 A
C2 nominal discharge current per line (8/20): 5 kA
C2 total nominal discharge current (8/20): 10 kA
D1 lightning impulse current (10/350 µs) per line: 1.5 kA
D1 total lightning impulse current (10/350 µs): 3 kA
Cable connection: Push-in

Brand: DEHN
Type: BCO CL2 BE 24
Part No.: 927924
or equivalent.

Certificates

 

Technical data

SPD class M
Max. continuous operating voltage (d.c.) (UC ) 33 V
Nominal current at 70 °C (IL ) 0.75 A
D1 Lightning impulse current (10/350 µs) per line (Iimp ) 1.5 kA
C2 Total nominal discharge current (8/20 µs) (In ) 10 kA
Series resistance per line 1 ohms
Cut-off frequency line-line (fG ) 3.4 MHz
Approvals UL 497B, CSA, ATEX, IECEx, CCC, SIL
*) For details, see: www.dehn-international.com

Product 927924 was added to Notepad.

Product 927924 was added to the cart.

Part No. 927925 BCO CL2 BE 48

GTIN 4013364411975, Customs tariff No. (EU): 85363010, Gross weight: 57.86 g, PU: 1.00 pc(s)

Predecessor

Images

Additional information

Combined arrester BLITZDUCTORconnect CL2 BE 48
Compact combined arrester for protecting
two single lines sharing a common reference potential
as well as unbalanced interfaces
Tested to EN/IEC 61643-21 and energy coordinated according
to IEC 61643-22
SPD class: type 1 / P1
Impulse category: C1, C2, C3, B2, D1
Status indication, width of 6 mm
Max. continuous operating voltage: 54.0 V DC / 38.1 V AC
Nominal current at 70°C: 0.75 A
C2 nominal discharge current per line (8/20): 5 kA
C2 total nominal discharge current (8/20): 10 kA
D1 lightning impulse current (10/350 µs) per line: 1.5 kA
D1 total lightning impulse current (10/350 µs): 3 kA
Cable connection: Push-in

Brand: DEHN
Type: BCO CL2 BE 48
Part No.: 927925
or equivalent.

Certificates

 

Technical data

SPD class M
Max. continuous operating voltage (d.c.) (UC ) 54 V
Nominal current at 70 °C (IL ) 0.75 A
D1 Lightning impulse current (10/350 µs) per line (Iimp ) 1.5 kA
C2 Total nominal discharge current (8/20 µs) (In ) 10 kA
Series resistance per line 1 ohms
Cut-off frequency line-line (fG ) 5 MHz
Approvals UL 497B, CSA, ATEX, IECEx, CCC, SIL
*) For details, see: www.dehn-international.com

Product 927925 was added to Notepad.

Product 927925 was added to the cart.


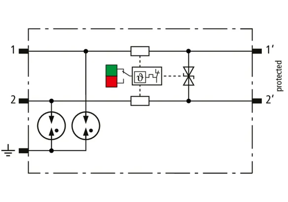
BCO CL2 BD

Space-saving, compact combined arrester with a width of 6 mm and push-in connection technology with status indication for protecting one pair of unearthed balanced interfaces.

3 Products

Part No. 927942 BCO CL2 BD 12

GTIN 4013364411777, Customs tariff No. (EU): 85363010, Gross weight: 57.86 g, PU: 1.00 pc(s)

Predecessor

Images

Additional information

Combined arrester BLITZDUCTORconnect CL2 BD 12
Compact combined arrester for protecting
one pair of unearthed balanced interfaces
Tested to EN/IEC 61643-21 and energy coordinated according
to IEC 61643-22
SPD class: type 1 / P2
Impulse category: C1, C2, C3, B2, D1
Status indication, width of 6 mm
Max. continuous operating voltage: 15.0 V DC / 10.6 V AC
Nominal current at 70°C: 0.75 A
C2 nominal discharge current per line (8/20): 5 kA
C2 total nominal discharge current (8/20): 10 kA
D1 lightning impulse current (10/350 µs) per line: 1.5 kA
D1 total lightning impulse current (10/350 µs): 3 kA
Cable connection: Push-in

Brand: DEHN
Type: BCO CL2 BD 12
Part No.: 927942
or equivalent.

Certificates

 

Technical data

SPD class L
Max. continuous operating voltage (d.c.) (UC ) 15 V
Nominal current at 70 °C (IL ) 0.75 A
D1 Lightning impulse current (10/350 µs) per line (Iimp ) 1.5 kA
C2 Total nominal discharge current (8/20 µs) (In ) 10 kA
Series resistance per line 1 ohms
Cut-off frequency line-line (fG ) 2.6 MHz
Approvals UL 497B, CSA, ATEX, IECEx, CCC, SIL
*) For details, see: www.dehn-international.com

Product 927942 was added to Notepad.

Product 927942 was added to the cart.

Part No. 927944 BCO CL2 BD 24

GTIN 4013364411784, Customs tariff No. (EU): 85363010, Gross weight: 57.86 g, PU: 1.00 pc(s)

Predecessor

Images

Additional information

Combined arrester BLITZDUCTORconnect CL2 BD 24
Compact combined arrester for protecting
one pair of unearthed balanced interfaces
Tested to EN/IEC 61643-21 and energy coordinated according
to IEC 61643-22
SPD class: type 1 / P2
Impulse category: C1, C2, C3, B2, D1
Status indication
Max. continuous operating voltage: 36.0 V DC / 25.4 V AC
Nominal current at 70°C: 0.75 A
C2 nominal discharge current per line (8/20): 5 kA
C2 total nominal discharge current (8/20): 10 kA
D1 lightning impulse current (10/350 µs) per line: 1.5 kA
D1 total lightning impulse current (10/350 µs): 3 kA
Cable connection: Push-in
Width of 6 mm

Brand: DEHN
Type: BCO CL2 BD 24
Part No.: 927944
or equivalent.

Certificates

 

Technical data

SPD class L
Max. continuous operating voltage (d.c.) (UC ) 36 V
Nominal current at 70 °C (IL ) 0.75 A
D1 Lightning impulse current (10/350 µs) per line (Iimp ) 1.5 kA
C2 Total nominal discharge current (8/20 µs) (In ) 10 kA
Series resistance per line 1 ohms
Cut-off frequency line-line (fG ) 5.8 MHz
Approvals UL 497B, CSA, ATEX, IECEx, CCC, SIL
*) For details, see: www.dehn-international.com

Product 927944 was added to Notepad.

Product 927944 was added to the cart.

Part No. 927945 BCO CL2 BD 48

GTIN 4013364411807, Customs tariff No. (EU): 85363010, Gross weight: 57.86 g, PU: 1.00 pc(s)

Predecessor

Images

Additional information

Combined arrester BLITZDUCTORconnect CL2 BD 48
Compact combined arrester for protecting
one pair of unearthed balanced interfaces
Tested to EN/IEC 61643-21 and energy coordinated according
to IEC 61643-22
SPD class: type 1 / P2
Impulse category: C1, C2, C3, B2, D1
Status indication
Max. continuous operating voltage: 56.0 V DC / 39.6 V AC
Nominal current at 70°C: 0.75 A
C2 nominal discharge current per line (8/20): 5 kA
C2 total nominal discharge current (8/20): 10 kA
D1 lightning impulse current (10/350 µs) per line: 1.5 kA
D1 total lightning impulse current (10/350 µs): 3 kA
Cable connection: Push-in
Width of 6 mm

Brand: DEHN
Type: BCO CL2 BD 48
Part No.: 927945
or equivalent.

Certificates

 

Technical data

SPD class L
Max. continuous operating voltage (d.c.) (UC ) 56 V
Nominal current at 70 °C (IL ) 0.75 A
D1 Lightning impulse current (10/350 µs) per line (Iimp ) 1.5 kA
C2 Total nominal discharge current (8/20 µs) (In ) 10 kA
Series resistance per line 1 ohms
Cut-off frequency line-line (fG ) 7.2 MHz
Approvals UL 497B, CSA, ATEX, IECEx, CCC, SIL
*) For details, see: www.dehn-international.com

Product 927945 was added to Notepad.

Product 927945 was added to the cart.


BCO CL2 BE HF

Space-saving, compact combined arrester with a width of 6 mm and push-in connection technology with status indication for protecting two single lines of high-frequency transmissions sharing a common reference potential as well as unbalanced interfaces.

1 Product

Part No. 927970 BCO CL2 BE HF 5

GTIN 4013364411982, Customs tariff No. (EU): 85363010, Gross weight: 57.86 g, PU: 1.00 pc(s)


Images

Additional information

Combined arrester BLITZDUCTORconnect CL2 BE HF 5
Compact combined arrester for protecting
two single lines of high-frequency transmissions sharing
a common reference potential as well as unbalanced interfaces
Tested to EN/IEC 61643-21 and energy coordinated according
to IEC 61643-22
SPD class: type 1 / P1
Impulse category: C1, C2, C3, B2, D1
Status indication, width of 6 mm
Max. continuous operating voltage: 8.5 V DC / 6.0 V AC
Nominal current at 70°C: 0.75 A
Cut-off frequency 100 MHz
C2 nominal discharge current per line (8/20): 5 kA
C2 total nominal discharge current (8/20): 10 kA
D1 lightning impulse current (10/350 µs) per line: 1.5 kA
D1 total lightning impulse current (10/350 µs): 3 kA
Cable connection: Push-in

Brand: DEHN
Type: BCO CL2 BE HF 5
Part No.: 927970
or equivalent.

Certificates

 

Technical data

SPD class M
Max. continuous operating voltage (d.c.) (UC ) 8.5 V
Nominal current at 70 °C (IL ) 0.75 A
D1 Lightning impulse current (10/350 µs) per line (Iimp ) 1.5 kA
C2 Total nominal discharge current (8/20 µs) (In ) 10 kA
Series resistance per line 1 ohms
Approvals UL 497B, CSA, ATEX, IECEx, CCC, SIL
*) For details, see: www.dehn-international.com

Product 927970 was added to Notepad.

Product 927970 was added to the cart.


BCO CL2 BD HF

Space-saving, compact combined arrester with a width of 6 mm and push-in connection terminal with status indication for protecting one pair of unearthed high-frequency bus systems as well as balanced interfaces.

1 Product

Part No. 927971 BCO CL2 BD HF 5

GTIN 4013364411999, Customs tariff No. (EU): 85363010, Gross weight: 57.86 g, PU: 1.00 pc(s)

Predecessor

Images

Additional information

Combined arrester BLITZDUCTORconnect CL2 BD HF 5
Compact combined arrester for protecting
one pair of unearthed high-frequency bus systems
as well as balanced interfaces
Tested to EN/IEC 61643-21 and energy coordinated according
to IEC 61643-22
SPD class: type 1 / P2
Impulse category: C1, C2, C3, B2, D1
Status indication, width of 6 mm
Max. continuous operating voltage: 8.5 V DC / 6.0 V AC
Nominal current at 70°C: 0.75 A
Cut-off frequency 100 MHz
C2 nominal discharge current per line (8/20): 5 kA
C2 total nominal discharge current (8/20): 10 kA
D1 lightning impulse current (10/350 µs) per line: 1.5 kA
D1 total lightning impulse current (10/350 µs): 3 kA
Cable connection: Push-in

Brand: DEHN
Type: BCO CL2 BD HF 5
Part No.: 927971
or equivalent.

Certificates

 

Technical data

SPD class L
Max. continuous operating voltage (d.c.) (UC ) 8.5 V
Nominal current at 70 °C (IL ) 0.75 A
D1 Lightning impulse current (10/350 µs) per line (Iimp ) 1.5 kA
C2 Total nominal discharge current (8/20 µs) (In ) 10 kA
Series resistance per line 1 ohms
Cut-off frequency line-line (fG ) 100 MHz
Approvals UL 497B, CSA, ATEX, IECEx, CCC, SIL
*) For details, see: www.dehn-international.com

Product 927971 was added to Notepad.

Product 927971 was added to the cart.


BCO CL2 E

Space-saving, compact surge arrester with a width of 6 mm and push-in connection technology with status indication. Finely limiting, single-stage surge protection with powerful diodes for protecting two single cores sharing a common reference potential as well as unbalanced interfaces.

3 Products

Part No. 927987 BCO CL2 E 12

GTIN 4013364485754, Customs tariff No. (EU): 85363010, Gross weight: 55.94 g, PU: 1.00 pc(s)

Predecessor

Images

Additional information

Surge arrester BLITZDUCTORconnect CL2 E 12
Compact, single-stage surge protection
with powerful diodes for protecting
two single cores sharing a common reference potential
as well as unbalanced interfaces
Tested to EN/IEC 61643-21 and energetically
coordinated according to IEC 61643-22
SPD class: type 3/P1
Impulse category: C1, C3
Status indication, width of 6 mm
Max. continuous operating voltage: 15 V DC / 10.6 V AC
Nominal current at 60°C: 10 A
C1 nominal impulse discharge current per line (8/20): 1.5 kA
C1 total nominal impulse discharge current (8/20): 3 kA
Conductor connection: Push-in

Brand: DEHN
Type: BCO CL2 E 12
Part No.: 927987
or equivalent.

Certificates

 

Technical data

SPD class W
Max. continuous operating voltage (d.c.) (UC ) 15 V
Nominal current at 60 °C (IL ) 10 A
Nominal current at 80 °C (IL ) 6 A
C1 Total nominal discharge current (8/20 µs) (In ) 3 kA
Series resistance per line 0 ohms
Approvals UL 497B, SIL
*) For details, see: www.dehn-international.com

Product 927987 was added to Notepad.

Product 927987 was added to the cart.

Part No. 927988 BCO CL2 E 24

GTIN 4013364485747, Customs tariff No. (EU): 85363010, Gross weight: 56.04 g, PU: 1.00 pc(s)

Predecessor

Images

Additional information

Surge arrester BLITZDUCTORconnect CL2 E 24
Compact, single-stage surge protection
with powerful diodes for protecting
two single cores sharing a common reference potential
as well as unbalanced interfaces
Tested to EN/IEC 61643-21 and energetically
coordinated according to IEC 61643-22
SPD class: type 3/P1
Impulse category: C1, C3
Status indication, width of 6 mm
Max. continuous operating voltage: 33 V DC / 23 V AC
Nominal current at 60°C: 10 A
C1 nominal impulse discharge current per line (8/20): 0.6 kA
C1 total nominal impulse discharge current (8/20): 1.2 kA
Conductor connection: Push-in

Brand: DEHN
Type: BCO CL2 E 24
Part No.: 927988
or equivalent.

Certificates

 

Technical data

SPD class W
Max. continuous operating voltage (d.c.) (UC ) 33 V
Nominal current at 60 °C (IL ) 10 A
Nominal current at 80 °C (IL ) 6 A
C1 Total nominal discharge current (8/20 µs) (In ) 1.2 kA
Series resistance per line 0 ohms
Approvals UL 497B, SIL
*) For details, see: www.dehn-international.com

Product 927988 was added to Notepad.

Product 927988 was added to the cart.

Part No. 927989 BCO CL2 E 48

GTIN 4013364485761, Customs tariff No. (EU): 85363010, Gross weight: 36.58 g, PU: 1.00 pc(s)

Predecessor

Images

Additional information

Surge arrester BLITZDUCTORconnect CL2 E 48
Compact, single-stage surge protection
with powerful diodes for protecting
two single cores sharing a common reference potential
as well as unbalanced interfaces
Tested to EN/IEC 61643-21 and energetically
coordinated according to IEC 61643-22
SPD class: type 3/P1
Impulse category: C1, C3
Status indication, width of 6 mm
Max. continuous operating voltage: 58 V DC / 41 V AC
Nominal current at 60°C: 10 A
C1 nominal impulse discharge current per line (8/20): 0.4 kA
C1 total nominal impulse discharge current (8/20): 0.8 kA
Conductor connection: Push-in

Brand: DEHN
Type: BCO CL2 E 48
Part No.: 927989
or equivalent.

Certificates

 

Technical data

SPD class W
Max. continuous operating voltage (d.c.) (UC ) 58 V
Nominal current at 60 °C (IL ) 10 A
Nominal current at 80 °C (IL ) 6 A
C1 Total nominal discharge current (8/20 µs) (In ) 0.8 kA
Series resistance per line 0 ohms
Approvals UL 497B, SIL
*) For details, see: www.dehn-international.com

Product 927989 was added to Notepad.

Product 927989 was added to the cart.


BCO CL4 BC

Space-saving, compact combined arrester with a width of 12 mm and push-in connection technology with status indication for protecting unearthed 4-conductor measuring circuits for IT systems and measuring and control systems.

1 Product

Part No. 927954 BCO CL4 BC 24

GTIN 4013364485730, Customs tariff No. (EU): 85363010, Gross weight: 80.10 g, PU: 1.00 pc(s)


Images

Additional information

Combined arrester BLITZDUCTORconnect CL2 BC 24
Compact combined arrester for the protection of
unearthed 4-conductor measurements for IT
systems and measuring and control circuits
Tested to EN/IEC 61643-21 and energetically
coordinated according to IEC 61643-22
SPD class type 1 / P2
Impulse category: D1, C1, C2, C3, B2
Status indication
Max. continuous operating voltage: 36.0 V DC / 25.4 V AC
Nominal current at 80°C: 3 A
Series impedance per line: 0 ohm
C2 nominal impulse discharge current per line (8/20): 10 kA
C2 total nominal impulse discharge current (8/20): 20 kA
D1 lightning impulse current (10/350 µs) per line: 2.5 kA
D1 total lightning impulse current (10/350): 5 kA
Conductor connection: Push-in
Width: 12 mm

Brand: DEHN
Type: BCO CL4 BC 24
Part No.: 927954
or equivalent.

Certificates

 

Technical data

SPD class L
Max. continuous operating voltage (d.c.) (UC ) 36 V
Nominal current at 80 °C (IL ) 3 A
D1 Lightning impulse current (10/350 µs) per line (Iimp ) 2.5 kA
C2 Total nominal discharge current (8/20 µs) (In ) 20 kA
Series resistance per line 0 ohms
Approvals UL 497B, SIL
*) For details, see: www.dehn-international.com

Product 927954 was added to Notepad.

Product 927954 was added to the cart.


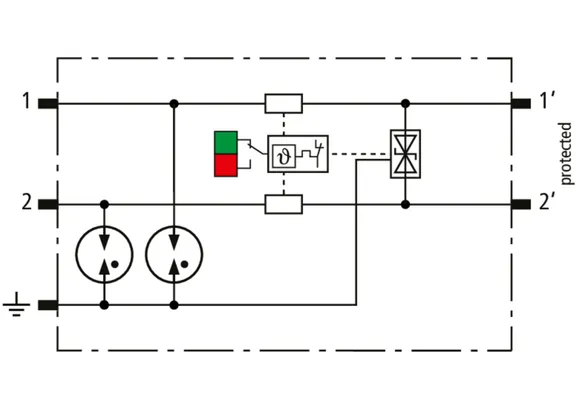
BCO CL2 BD HC10A 24

Space-saving, compact combined arrester with a width of 12 mm and push-in connection technology with status indication for protecting one pair in unearthed DC supplies for IT systems and measuring and control circuits.

1 Product

Part No. 927408 BCO CL2 BD HC10A 24

GTIN 4013364463653, Customs tariff No. (EU): 85363010, Gross weight: 68.30 g, PU: 1.00 pc(s)

Predecessor

Images

Additional information

Combined arrester BLITZDUCTORconnect CL2 BD HC10A 24
Compact combined arrester for protecting
one pair in unearthed DC supplies for IT systems
and measuring and control circuits.
Tested to EN/IEC 61643-21 and energetically
coordinated according to IEC 61643-22
SPD class type 1 / P2
Impulse category: C1, C2, C3, B2, D1
Status indication
Max. continuous operating voltage: 45.0 V DC / 31.8 V AC
Nominal current at 80°C: 10 A
C2 nominal impulse discharge current per line (8/20): 10 kA
C2 total nominal impulse discharge current (8/20): 20 kA
D1 lightning current impulse (10/350 µs) per line: 2.5 kA
D1 total lightning impulse current (10/350 µs): 5 kA
Conductor connection: Push-in
Width: 12 mm

Brand: DEHN
Type: BCO CL2 BD HC10A 24
Part No.: 927408
or equivalent.

Certificates

 

Technical data

SPD class L
Max. continuous operating voltage (d.c.) (UC ) 45 V
Nominal current at 80 °C (IL ) 10 A
D1 Lightning impulse current (10/350 µs) per line (Iimp ) 2.5 kA
C2 Total nominal discharge current (8/20 µs) (In ) 20 kA
Series resistance per line 0 ohms
Approvals UL 497B, SIL
*) For details, see: www.dehn-international.com

Product 927408 was added to Notepad.

Product 927408 was added to the cart.


BCO CL2 BD EX 24

Space-saving, compact surge arrester with a width of 6 mm and push-in connection technology with status indication for protecting one pair of intrinsically safe measuring circuits and bus systems, meets FISCO requirements. Insulation strength > 500 V line-ground.

1 Product

Part No. 927984 BCO CL2 BD EX 24

GTIN 4013364412002, Customs tariff No. (EU): 85363010, Gross weight: 57.86 g, PU: 1.00 pc(s)

Predecessor

Images

Additional information

Combined arrester BLITZDUCTORconnect CL2 BD EX 24
Compact combined arrester for protecting
one pair of intrinsically safe unearthed balanced interfaces
Tested to EN/IEC 61643-21 and energy coordinated according
to IEC 61643-22
SPD class: type 1 / P2
Impulse category: C1, C2, C3, B2, D1
Status indication, width of 6 mm
Max. continuous operating voltage: 36.0 V DC / 25.4 V AC
Nominal current at 70°C: 0.75 A
Max. input voltage according to EN 60079-11: 30 V
Max. input current according to EN 60079-11: 0.5 A
C2 nominal discharge current per line (8/20): 5 kA
C2 total nominal discharge current (8/20): 10 kA
D1 lightning impulse current (10/350 µs) per line: 1.5 kA
D1 total lightning impulse current (10/350 µs): 3 kA
Cable connection: Push-in

Brand: DEHN
Type: BCO CL2 BD EX 24
Part No.: 927984
or equivalent.

Certificates

 

Technical data

SPD class L
Max. continuous operating voltage (d.c.) (UC ) 36 V
Nominal current at 80 °C (IL ) 0.5 A
D1 Lightning impulse current (10/350 µs) per line (Iimp ) 1.5 kA
C2 Total nominal discharge current (8/20 µs) (In ) 10 kA
Series resistance per line 1 ohms
Cut-off frequency line-line (fG ) 3.5 MHz
Approvals ATEX, IECEx, CCC, SIL
*) For details, see: www.dehn-international.com

Product 927984 was added to Notepad.

Product 927984 was added to the cart.


back to top