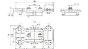
Part No. 453100 FTS 8.10 FL30.40 IS STTZN
GTIN 4013364025523, Customs tariff No. (EU): 85359000, Gross weight: 342.90 g, PU: 10.00 pc(s)
Technical data
| Material | St/tZn |
| Clamping range Rd / Fl | 8-10 / 30-40 mm |
| Insulating piece | plastic grey ● |
| Standard | EN 62561-1 |
| Version for conductor Rd / Rd 8-10 mm part no. 453 102 available upon request. *) For exact assignment, see test certificate. |
|