FIX Test Joint

With insulating piece and disconnetion lug.

1 Product

Part No. 453100 FTS 8.10 FL30.40 IS STTZN

GTIN 4013364025523, Customs tariff No. (EU): 85359000, Gross weight: 342.90 g, PU: 10.00 pc(s)


Images

Additional information

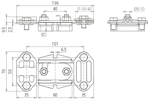
FIX test joints
FIX test joints with insulating piece and
disconnection lug for connecting the down
conductor to the earth entry
Material: St/tZn
Clamping range Rd / Fl: 8-10 / 30-40 mm
Standard: EN 62561-1

Brand: DEHN
Type: FTS 8.10 FL30.40 IS STTZN
Part No.: 453100
or equivalent.

Certificates

 

Technical data

Material St/tZn
Clamping range Rd / Fl 8-10 / 30-40 mm
Insulating piece plastic grey
Standard EN 62561-1
Version for conductor Rd / Rd 8-10 mm part no. 453 102 available upon request.
*) For exact assignment, see test certificate.

Product 453100 was added to Notepad.

Product 453100 was added to the cart.


back to top